YANMAR 129155-51390 Stopper, Holder | PalmerPower
close
close
click to zoom in
  • Guaranteed Fitment

    Always the correct part

  • In-House Experts

    We know our products

  • Boat Repair Service

    Diagnostics, Repairs, and Maintenance

  • Fast Delivery

YANMAR 129155-51390 Stopper, Holder

Write a Review
$18.10
SKU:
129155-51390
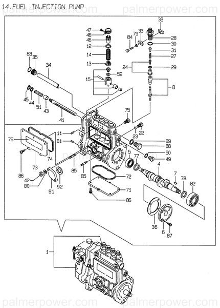
Schematic Object Key:
33

YANMAR 129155-51390 Stopper, Holder

$18.10

Disclaimer: Please note that the items featured in the image (schematic diagram) are not sold as a bundled set. To facilitate your search, kindly refer to the schematic object key provided below in order to locate a specific item within the image.

YANMAR 129155-51390 Stopper, Holder

Schematic Object Key : 33

Product Description : STOPPER 129155-51390

Disclaimer: Each item listed in the table below is available for individual purchase and is not sold as part of a package or set.

Other Components:

Ref Description Part No.
1 PUMP ASSY, INJECTION 729619-51480
4 CAMSHAFT 129470-51040
5 BEARING, 17BM001D 129155-51050
6 SUPPORT, CAMSHAFT 129155-51060
7 KEY 122710-51090
8 PLUNGER ASSY 129506-51100
11 PIN 129155-51140
12 RETAINER, SPRING A 174307-51170
13 RETAINER, SPRING 129155-51180
14 SPRING, PLUNGER 124950-51190
15 TAPPET ASSY 129155-51200
22 STOPPER, TAPPET 129155-51270
23 O-RING, S6 129155-51280
24 VALVE ASSY, DELIVERY 129100-51300
27 SPRING, DELIVERY 129155-51320
28 RETAINER 129155-51340
29 GASKET, DELIVERY 124550-51350
30 O-RING 124550-51370
31 STOPPER, VALVE 129155-51370
32 STOPPER 129155-51380
33 STOPPER 129155-51390
34 DEFLECTOR 129555-51400
35 BOLT 129155-51410
36 SHIM SET, ADJUSTING 129155-51450
41 RACK, CONTROL 129555-51500
42 NUT, M6 26716-060002
43 BUSH, RACK 129155-51521
44 SPACER 129155-51530
45 CIRCLIP 129155-51540
46 PINION, CONTROL 129155-51550
47 SCREW 122117-51560
48 PINION 174307-51560
49 PLUG, M12 129155-51570
50 O-RING 129155-51580
51 SPRING, RACK 129155-51591
52 SHIM SET, ADJUSTING 129155-51600
71 COVER 129555-51701
72 GASKET 129555-51711
73 COVER 129555-51751
74 GASKET 129555-51760
75 STOOPER, RACK 129155-51790
76 LABEL, CAUTION 129156-51910
77 SPACER, T=3.25 129155-51930
78 SPACER, T=1.5 129155-51940
79 WASHER, SPRING 5 22217-050000
80 WASHER, SPRING 6 22217-060000
81 PIN, SPRING 5.0X10 22351-050010
82 BEARING, BALL 6303 24101-063034
83 O-RING, 1AS16.0 24341-000160
84 BOLT, M5X 30 PLATED 26116-050302
85 STUD 129155-51020
86 SCREW, M5X12 26022-050122
87 SCREW, M6X16 26022-060162
88 PLUG, M16 129155-51420
89 WASHER, SEAL 16 22190-160002
91 COVER, FEED PUMP 129100-52200
92 GASKET 129155-52050

YANMAR 129155-51390 Stopper, Holder

Returns Policy

All returns must be authorized. Items returned prior authorization will not be accepted.

Defective new equipment may be returned for warranty repair/exchange to us within five (5) days of the shipment receipt date.  After five (5) days, returns will be handled by direct contact and in accordance with the warranty terms of the item's manufacturer.  Items that have malfunctioned due to mishandling, electrical overload, etc., will be subject to a repair charge. 

Non-Defective new equipment will be authorized for return within five (5) days of the shipment receipt date if the equipment is still in new, re-sellable condition with the original manual(s), accessories, packing material and carton. We reserve the right to reject returns in which there is no original packaging, missing accessories, damage or visible signs of usage of the item.  A restocking fee of up to 25% of purchase price may apply.  Special orders and dangerous goods are non-returnable.

**There's a 20% Restocking Fee on All Returned Palmgren Products in Original Packaging

To get your RMA, simply call (800) 364-4637 for a return authorization number or email sales@palmerpower.com .

(Do not write anything on the manufacturer's original package or use as a shipping carton. Include all accessories, manuals and warranties.) Please include a copy of the packing list or invoice with a reason for the return. Your return authorization number is valid for thirty days.

To check the status of your return, please email us at sales@palmerpower.com. Please be sure to include your RMA number. For more information please check our FAQ page.

Shipping

We can ship to virtually any address in the world. Note that there are restrictions on some products, and some products cannot be shipped to international destinations.

When you place an order, we will estimate shipping and delivery dates for you based on the availability of your items and the shipping options you choose. Depending on the shipping provider you choose, shipping date estimates may appear on the shipping quotes page.

Please also note that the shipping rates for many items we sell are weight-based. The weight of any such item can be found on its detail page. To reflect the policies of the shipping companies we use, all weights will be rounded up to the next full pound.

Boat Services & Repairs in Houston

We will service your boat whether you bought it from us or not. Our award-winning boat service department has a full-time staff of seasoned, factory-certified technicians dedicated to ensuring that your boat runs well for years to come. Our team is trained to correctly diagnose issues, advise you of any developing problems, and address any unique service issues your boat may require. Whether you need complex engine work and repairs, canvas and upholstery, boat tune Up, electronics installation or repair, or boat detailing, our technicians will work quickly to keep you out of the shop and on the water. Not only does our service department provide the highest quality service, we also have a large parts department for the do-it-yourself types. Ask about our inventory of parts and aftermarket additions to make your own repairs or upgrades.

Learn More

boat repair service boat Sterndrive repair

Frequently Asked Questions

  • How do I request a quote?
    To request a quote for pricing on any Palmer Power's products, please see our request a quote page. Fill out and submit our quote form and one of our representatives will contact you when your quote is ready.
  • Do you have any Minimum Order Restriction?
    Palmer Power Does not have any Minimum Order Restriction.
  • Will my order be subject to sales tax?
    Estimated state sales tax will appear within your shopping cart for all shipments within the United states unless a signed official state tax exemption certificate is furnished to Palmer Power.
  • How do I check my Order Status?
    To check the status of an online order, email sales@palmerpower.com. Please be sure to include your order number.
  • How do I Return items?

    All returns must be authorized. Items returned prior authorization will not be accepted. International customers must ship any returns to us freight and duty prepaid. Return freight charges for International shipments will be the responsibility of the customer.

    Defective new equipment may be returned for warranty repair/exchange to us within five (5) days of the shipment receipt date. After five (5) days, returns will be handled by direct contact and in accordance with the warranty terms of the item's manufacturer. Items that have malfunctioned due to mishandling, electrical overload, etc., will be subject to a repair charge.

    Non-Defective new equipment will be authorized for return within five (5) days of the shipment receipt date if the equipment is still in new, re-sellable condition with the original manual(s), accessories, packing material and carton. We reserve the right to reject returns in which there is no original packaging, missing accessories, damage or visible signs of usage of the item. A restocking fee of up to 25% of purchase price may apply. Special orders and dangerous goods are non-returnable.

    (Do not write anything on the manufacturer's original package or use as a shipping carton. Include all accessories, manuals and warranties.) Please include a copy of the packing list or invoice with a reason for the return. Your return authorization number is valid for thirty days.

  • What payment options do I have?

    Palmer Power accepts a variety of payment options for your convenience. For prepayment, we accept all major credit cards (Visa, MasterCard, Discover and American Express), Purchase Orders, and international wire transfers. We also offer credit terms to existing customers.

Fast Delivery
Dealer Program
Secure Shopping
30-Day Free Returns