YANMAR 177090-02800 Spacer | PalmerPower
close
close
click to zoom in
  • Guaranteed Fitment

    Always the correct part

  • In-House Experts

    We know our products

  • Boat Repair Service

    Diagnostics, Repairs, and Maintenance

  • Fast Delivery

YANMAR 177090-02800 Spacer

Write a Review
$91.61
SKU:
177090-02800
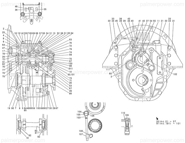
Schematic Object Key:
10

YANMAR 177090-02800 Spacer

$91.61

Disclaimer: Please note that the items featured in the image (schematic diagram) are not sold as a bundled set. To facilitate your search, kindly refer to the schematic object key provided below in order to locate a specific item within the image.

YANMAR 177090-02800 Spacer

Schematic Object Key : 10

Product Description : SPACER 177090-02800

Disclaimer: Each item listed in the table below is available for individual purchase and is not sold as part of a package or set.

Other Components:

Ref Description Part No.
1 HOUSING, CLUTCH 177090-02700
2 FLANGE 177091-02710
3 PIN, PARALLEL 177099-02130
4 WASHER, 10 22287-100000
5 STUD, M10X 25 26223-100252
6 STUD, M10X 25 26226-100252
7 NUT, M10 26713-100002
8 NUT, M10 26716-100002
9 WASHER, 10 22133-100000
10 SPACER 177090-02800
11 BOLT, M8X 22 26450-080222
12 COVER 177090-02070
13 PACKING, COVER 177090-02120
14 STUD, M10X 25 26226-100252
15 NUT, M10 26716-100002
16 WASHER, 10 22287-100000
17 SHIM SET 177095-02250
18 SHIM 177090-02250
19 SHIM 177095-02310
20 FORK ASSY, SHIFT 177090-06010
21 DIPSTICK 177090-02451
22 GASKET, 27X1.0 23418-270035
23 LABEL 177090-02421
24 RIVET 102210-07990
25 LABEL 177095-02400
26 SEAL SB35 47 7, OIL 177095-02960
27 SEAL TC54 70 9, OIL 177090-02970
28 SEAL, OIL 177095-02980
29 PLUG M12,HEX. 23884-120002
30 GASKET, 12X1.0 23414-120000
31 BRACKET 177091-02720
32 BRACKET 177091-02730
33 BOLT M10X 28 PLATED 26116-100282
34 WASHER, 10 22287-100000
35 LABEL 177090-02620
36 LABEL 177090-02630
37 BEARING 177095-06070
38 SHAFT, SHIFT 177090-06300
39 PLUG 177099-06050
40 CAM, SHIFT 177095-06030
41 PIN 177095-06050
42 CIRCLIP 177095-06140
43 SPRING 177095-03200
44 SPRING 177095-06060
45 LEVER 177095-06040
46 BOLT, M8X 25 PLATED 26116-080252
47 DISK, DAMPER D190 177090-03500
48 SHAFT, INPUT 177090-03750
49 PLATE ASSY, DRIVE 177090-03020
51 PIN, PARALLEL 177095-03030
52 PIN, PARALLEL 177095-03040
53 KEY 177090-03230
54 PIN 177095-03190
55 SPRING 177095-03200
56 RING, SHIFT 177090-03050
57 PLATE, PRESSURE 177090-03060
58 PLATE, PRESSURE 177090-03070
59 BALL, STEEL 177090-03180
60 SPRING 177090-03210
61 PINION, Z=24 I=3 177090-03300
62 PINION, Z=32 177090-03600
63 GEAR, Z=36 177090-03310
64 RETAINER 177090-03100
65 RETAINER 177090-03110
66 CIRCLIP 177095-03280
67 SPRING 177090-03121
68 DISK, D78 T1.7 177090-03080
69 PLATE, STEEL 177090-03090
70 SPACER 177090-03130
71 SPACER 177090-03140
72 COLLAR, THRUST 177090-03270
73 NUT 177090-03760
74 SPACER 177095-03240
75 SHIM SET 177095-03800
76 ROLLER BEARING 177095-03900
77 BUSH 177095-03150
78 BEARING, 30207 24141-302070
79 BEARING, 30206 24141-302060
80 GEAR, IDLE Z=17/26 177090-03320
81 GEAR, IDLE Z=24/26 177090-03610
82 BEARING, 30205 24141-302050
83 SHAFT, OUTPUT 177090-03800
84 GEAR, I=3 Z=72 177090-03810
85 GEAR, OUTPUT Z=65 177090-03820
86 O-RING, 1AS38.0 24341-000380
87 COUPLING 177090-03391
88 NUT 177090-03400
89 BEARING, 30208 24141-302080
90 ROLLER BERG. #30308 177090-03920
91 PUMP ASSY, HYDRAULIC 777095-04900
93 PLUG 124060-32990
97 PIN 101304-32560
98 COVER 124060-32070
99 O-RING 103338-32570
100 BOLT, M6X 10 PLATED 26116-060102
101 GASKET, 8X1.0 23414-080000
102 BOLT, M8X 22 26450-080222
103 PIPE 177090-07400
104 BOLT, JOINT 10 23851-100006
105 GASKET, 16X1.0 23414-160000
106 WIRE, 1.0 22451-100000
107 RETAINER, PIPE 177090-07410
108 BOLT, M10X 15 PLATED 26116-100152
109 STRAINER 177090-04400
110 GASKET, 20X1.0 23414-200000
111 GASKET, PUMP 177095-04120

YANMAR 177090-02800 Spacer

Returns Policy

All returns must be authorized. Items returned prior authorization will not be accepted.

Defective new equipment may be returned for warranty repair/exchange to us within five (5) days of the shipment receipt date.  After five (5) days, returns will be handled by direct contact and in accordance with the warranty terms of the item's manufacturer.  Items that have malfunctioned due to mishandling, electrical overload, etc., will be subject to a repair charge. 

Non-Defective new equipment will be authorized for return within five (5) days of the shipment receipt date if the equipment is still in new, re-sellable condition with the original manual(s), accessories, packing material and carton. We reserve the right to reject returns in which there is no original packaging, missing accessories, damage or visible signs of usage of the item.  A restocking fee of up to 25% of purchase price may apply.  Special orders and dangerous goods are non-returnable.

**There's a 20% Restocking Fee on All Returned Palmgren Products in Original Packaging

To get your RMA, simply call (800) 364-4637 for a return authorization number or email sales@palmerpower.com .

(Do not write anything on the manufacturer's original package or use as a shipping carton. Include all accessories, manuals and warranties.) Please include a copy of the packing list or invoice with a reason for the return. Your return authorization number is valid for thirty days.

To check the status of your return, please email us at sales@palmerpower.com. Please be sure to include your RMA number. For more information please check our FAQ page.

Shipping

We can ship to virtually any address in the world. Note that there are restrictions on some products, and some products cannot be shipped to international destinations.

When you place an order, we will estimate shipping and delivery dates for you based on the availability of your items and the shipping options you choose. Depending on the shipping provider you choose, shipping date estimates may appear on the shipping quotes page.

Please also note that the shipping rates for many items we sell are weight-based. The weight of any such item can be found on its detail page. To reflect the policies of the shipping companies we use, all weights will be rounded up to the next full pound.

Boat Services & Repairs in Houston

We will service your boat whether you bought it from us or not. Our award-winning boat service department has a full-time staff of seasoned, factory-certified technicians dedicated to ensuring that your boat runs well for years to come. Our team is trained to correctly diagnose issues, advise you of any developing problems, and address any unique service issues your boat may require. Whether you need complex engine work and repairs, canvas and upholstery, boat tune Up, electronics installation or repair, or boat detailing, our technicians will work quickly to keep you out of the shop and on the water. Not only does our service department provide the highest quality service, we also have a large parts department for the do-it-yourself types. Ask about our inventory of parts and aftermarket additions to make your own repairs or upgrades.

Learn More

boat repair service boat Sterndrive repair

Frequently Asked Questions

  • How do I request a quote?
    To request a quote for pricing on any Palmer Power's products, please see our request a quote page. Fill out and submit our quote form and one of our representatives will contact you when your quote is ready.
  • Do you have any Minimum Order Restriction?
    Palmer Power Does not have any Minimum Order Restriction.
  • Will my order be subject to sales tax?
    Estimated state sales tax will appear within your shopping cart for all shipments within the United states unless a signed official state tax exemption certificate is furnished to Palmer Power.
  • How do I check my Order Status?
    To check the status of an online order, email sales@palmerpower.com. Please be sure to include your order number.
  • How do I Return items?

    All returns must be authorized. Items returned prior authorization will not be accepted. International customers must ship any returns to us freight and duty prepaid. Return freight charges for International shipments will be the responsibility of the customer.

    Defective new equipment may be returned for warranty repair/exchange to us within five (5) days of the shipment receipt date. After five (5) days, returns will be handled by direct contact and in accordance with the warranty terms of the item's manufacturer. Items that have malfunctioned due to mishandling, electrical overload, etc., will be subject to a repair charge.

    Non-Defective new equipment will be authorized for return within five (5) days of the shipment receipt date if the equipment is still in new, re-sellable condition with the original manual(s), accessories, packing material and carton. We reserve the right to reject returns in which there is no original packaging, missing accessories, damage or visible signs of usage of the item. A restocking fee of up to 25% of purchase price may apply. Special orders and dangerous goods are non-returnable.

    (Do not write anything on the manufacturer's original package or use as a shipping carton. Include all accessories, manuals and warranties.) Please include a copy of the packing list or invoice with a reason for the return. Your return authorization number is valid for thirty days.

  • What payment options do I have?

    Palmer Power accepts a variety of payment options for your convenience. For prepayment, we accept all major credit cards (Visa, MasterCard, Discover and American Express), Purchase Orders, and international wire transfers. We also offer credit terms to existing customers.

Fast Delivery
Dealer Program
Secure Shopping
30-Day Free Returns