YANMAR 177421-04820 Spring - Palmer Power
close
close
click to zoom in
  • Guaranteed Fitment

    Always the correct part

  • In-House Experts

    We know our products

  • Boat Repair Service

    Diagnostics, Repairs, and Maintenance

  • Fast Delivery

YANMAR 177421-04820 Spring

Write a Review
$74.20
SKU:
177421-04820
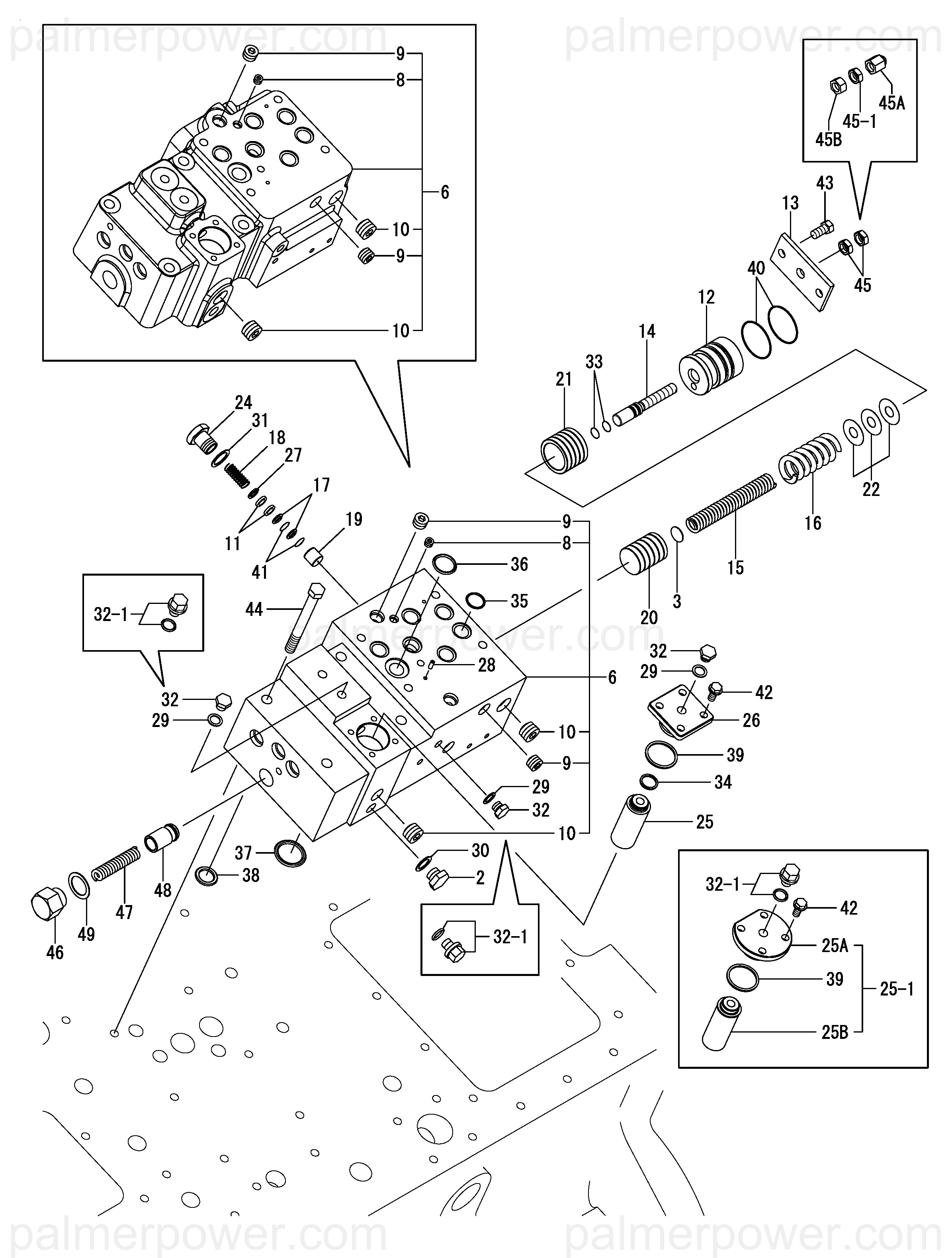
Schematic Object Key:
18

YANMAR 177421-04820 Spring

$74.20

Disclaimer: Please note that the items featured in the image (schematic diagram) are not sold as a bundled set. To facilitate your search, kindly refer to the schematic object key provided below in order to locate a specific item within the image.

YANMAR 177421-04820 Spring

Schematic Object Key : 18

Product Description : SPRING

Disclaimer: Each item listed in the table below is available for individual purchase and is not sold as part of a package or set.

Other Components:

Ref Description Part No.
2 PLUG, MAGNET M16X1.5 177035-02920
3 SHIM SET 177125-04350
6 PLATE ASSY 177360-04510
8 PLUG, R01 23871-010000
9 PLUG, R03 23871-030000
9-1 PLUG, R03 23871-030000
10 PLUG, R04 23871-040000
11 SPACER 177360-04700
12 RETAINER 177360-04710
13 COVER 177360-04720
14 SCREW, ADJUST 177360-04730
15 SPRING 177360-04750
16 SPRING 177360-04760
17 THROTTLE 177421-04801
18 SPRING 177421-04820
19 VALVE, THROTTLE 177421-04880
20 VALVE ASSY, CONTROL 177318-54300
21 VALVE 177318-54310
22 SHIM SET 177318-54350
24 RETAINER, SPRING 123672-84210
25 ELEMENT 142622-84372
25-1 FILTER ASSY,150M 177360-04740
25A COVER, FILTER 177360-04810
25B FILTER 177360-04820
26 COVER 142622-84782
27 RING, 10 22252-000100
28 PIN, SPRING 4.0X12 22351-040012
29 GASKET, 12X1.0 23414-120000
30 GASKET, 16X1.0 23414-160000
31 GASKET, 20X1.0 23414-200000
32 PLUG, 12 23887-120002
32-1 PLUG, 12 23490-120002
33 O-RING, 1AP11.0 24311-000110
34 O-RING, 1AP18.0 24311-000180
35 O-RING, 1AP20.0 24311-000200
36 O-RING, 1AP24.0 24311-000240
37 O-RING, 1AP34.0 24311-000340
38 O-RING, 1AP22A 24311-350220
39 O-RING, 1AG35.0 24321-000350
40 O-RING, 1AG45.0 24321-000450
41 O-RING, 1AS7.0 24341-000070
42 BOLT, M8X 18 PLATED 26106-080182
43 BOLT, M10X 20 PLATED 26116-100202
43-1 BOLT, M10X 20 PLATED 26106-100202
44 BOLT, M12X115 PLATED 26116-121152
45 NUT, LOCK M12 26776-120002
45-1 NUT, LOCK M12 26776-120002
45A NUT, CAP M12 26687-120002
45B NUT, M12 26736-120002
46 RETAINER, SPRING 177380-54230
47 SPRING 177380-54240
48 VALVE, SAFETY 138613-84220
49 GASKET, 25X1.0 23414-250000

Returns Policy

All returns must be authorized. Items returned prior authorization will not be accepted.

Defective new equipment may be returned for warranty repair/exchange to us within five (5) days of the shipment receipt date.  After five (5) days, returns will be handled by direct contact and in accordance with the warranty terms of the item's manufacturer.  Items that have malfunctioned due to mishandling, electrical overload, etc., will be subject to a repair charge. 

Non-Defective new equipment will be authorized for return within five (5) days of the shipment receipt date if the equipment is still in new, re-sellable condition with the original manual(s), accessories, packing material and carton. We reserve the right to reject returns in which there is no original packaging, missing accessories, damage or visible signs of usage of the item.  A restocking fee of up to 25% of purchase price may apply.  Special orders and dangerous goods are non-returnable.

**There's a 20% Restocking Fee on All Returned Palmgren Products in Original Packaging

To get your RMA, simply call (800) 364-4637 for a return authorization number or email sales@palmerpower.com .

(Do not write anything on the manufacturer's original package or use as a shipping carton. Include all accessories, manuals and warranties.) Please include a copy of the packing list or invoice with a reason for the return. Your return authorization number is valid for thirty days.

To check the status of your return, please email us at sales@palmerpower.com. Please be sure to include your RMA number. For more information please check our FAQ page.

Shipping

We can ship to virtually any address in the world. Note that there are restrictions on some products, and some products cannot be shipped to international destinations.

When you place an order, we will estimate shipping and delivery dates for you based on the availability of your items and the shipping options you choose. Depending on the shipping provider you choose, shipping date estimates may appear on the shipping quotes page.

Please also note that the shipping rates for many items we sell are weight-based. The weight of any such item can be found on its detail page. To reflect the policies of the shipping companies we use, all weights will be rounded up to the next full pound.

Boat Services & Repairs in Houston

We will service your boat whether you bought it from us or not. Our award-winning boat service department has a full-time staff of seasoned, factory-certified technicians dedicated to ensuring that your boat runs well for years to come. Our team is trained to correctly diagnose issues, advise you of any developing problems, and address any unique service issues your boat may require. Whether you need complex engine work and repairs, canvas and upholstery, boat tune Up, electronics installation or repair, or boat detailing, our technicians will work quickly to keep you out of the shop and on the water. Not only does our service department provide the highest quality service, we also have a large parts department for the do-it-yourself types. Ask about our inventory of parts and aftermarket additions to make your own repairs or upgrades.

Learn More

boat repair service boat Sterndrive repair

Frequently Asked Questions

  • How do I request a quote?
    To request a quote for pricing on any Palmer Power's products, please see our request a quote page. Fill out and submit our quote form and one of our representatives will contact you when your quote is ready.
  • Do you have any Minimum Order Restriction?
    Palmer Power Does not have any Minimum Order Restriction.
  • Will my order be subject to sales tax?
    Estimated state sales tax will appear within your shopping cart for all shipments within the United states unless a signed official state tax exemption certificate is furnished to Palmer Power.
  • How do I check my Order Status?
    To check the status of an online order, email sales@palmerpower.com. Please be sure to include your order number.
  • How do I Return items?

    All returns must be authorized. Items returned prior authorization will not be accepted. International customers must ship any returns to us freight and duty prepaid. Return freight charges for International shipments will be the responsibility of the customer.

    Defective new equipment may be returned for warranty repair/exchange to us within five (5) days of the shipment receipt date. After five (5) days, returns will be handled by direct contact and in accordance with the warranty terms of the item's manufacturer. Items that have malfunctioned due to mishandling, electrical overload, etc., will be subject to a repair charge.

    Non-Defective new equipment will be authorized for return within five (5) days of the shipment receipt date if the equipment is still in new, re-sellable condition with the original manual(s), accessories, packing material and carton. We reserve the right to reject returns in which there is no original packaging, missing accessories, damage or visible signs of usage of the item. A restocking fee of up to 25% of purchase price may apply. Special orders and dangerous goods are non-returnable.

    (Do not write anything on the manufacturer's original package or use as a shipping carton. Include all accessories, manuals and warranties.) Please include a copy of the packing list or invoice with a reason for the return. Your return authorization number is valid for thirty days.

  • What payment options do I have?

    Palmer Power accepts a variety of payment options for your convenience. For prepayment, we accept all major credit cards (Visa, MasterCard, Discover and American Express), Purchase Orders, and international wire transfers. We also offer credit terms to existing customers.

Fast Delivery
Dealer Program
Secure Shopping
30-Day Free Returns