YANMAR 177510-02150 Cover - Palmer Power
close
close
click to zoom in
  • Guaranteed Fitment

    Always the correct part

  • In-House Experts

    We know our products

  • Boat Repair Service

    Diagnostics, Repairs, and Maintenance

  • Fast Delivery

YANMAR 177510-02150 Cover

Write a Review
$226.25
SKU:
177510-02150
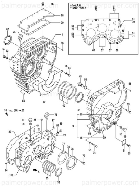
Schematic Object Key:
76

YANMAR 177510-02150 Cover

$226.25

Disclaimer: Please note that the items featured in the image (schematic diagram) are not sold as a bundled set. To facilitate your search, kindly refer to the schematic object key provided below in order to locate a specific item within the image.

YANMAR 177510-02150 Cover

Schematic Object Key : 76

Product Description : COVER

Disclaimer: Each item listed in the table below is available for individual purchase and is not sold as part of a package or set.

Other Components:

Ref Description Part No.
1 CASE ASSY 177511-02000
9 CASE ASSY 177510-02041
10 PLUG, PT1/8 124060-01050
15 PLUG, R06 23873-060000
16 CASE ASSY 177510-02082
17 PLUG, PT1/8 124060-01050
23 PLUG, R01 23871-010000
24 PLUG, R02 23871-020000
25 PLUG, R03 23871-030000
26 PLUG, R04 23871-040000
27 GASKET, CASE 177510-02120
28 COVER, CASE 177510-02130
29 GASKET 177510-02140
30 PLATE, BAFFLE 177510-02191
31 RETAINER 177510-02250
32 BUSH 177510-02410
33 SHIM SET 177411-02550
39 PLUG, MAGNET M16X1.5 177035-02920
40 SHIM SET 139683-82551
45 PLUG ASSY, M30X1.5 123672-82850
50 WASHER, 10 22133-100000
51 WASHER, 10 22137-100000
52 WASHER, SEAL 16 22190-160003
53 WASHER, SEAL 20 22190-200003
54 WASHER, SEAL 30 22190-300002
55 WASHER, SPRING 10 22217-100000
56 PIN, PARALLEL M12X25 22312-120250
57 GASKET, 16X1.0 23414-160000
58 GASKET, 25X1.0 23414-250000
59 PLUG, 20 23883-200002
60 PLUG, 16 23887-160002
61 PLUG 23887-250002
62 SEAL, OIL TC8511013 24423-851013
63 SEAL, OIL TC9011513 24423-901513
64 BOLT, M10X 20 PLATED 26106-100202
65 BOLT, M10X 20 PLATED 26106-100202
66 BOLT, M10X 25 PLATED 26106-100252
67 BOLT, M10X 55 PLATED 26106-100552
68 BOLT, M10X 60 PLATED 26106-100602
69 BOLT, M10X 75 PLATED 26106-100752
70 BOLT, M10X105 PLATED 26116-101052
71 BOLT, M10X130 PLATED 26116-101302
72 BOLT, M10X150 PLATED 26116-101502
73 BOLT, M10X165 PLATED 26116-101652
74 BOLT, M10X 75 PLATED 26203-100752
75 BOLT, EYE M16 26610-160002
76 COVER 177510-02150
77 GASKET 177510-02161
78 O-RING, 1AP11.0 24311-000110
79 BOLT, M10X 30 PLATED 26106-100302

Returns Policy

All returns must be authorized. Items returned prior authorization will not be accepted.

Defective new equipment may be returned for warranty repair/exchange to us within five (5) days of the shipment receipt date.  After five (5) days, returns will be handled by direct contact and in accordance with the warranty terms of the item's manufacturer.  Items that have malfunctioned due to mishandling, electrical overload, etc., will be subject to a repair charge. 

Non-Defective new equipment will be authorized for return within five (5) days of the shipment receipt date if the equipment is still in new, re-sellable condition with the original manual(s), accessories, packing material and carton. We reserve the right to reject returns in which there is no original packaging, missing accessories, damage or visible signs of usage of the item.  A restocking fee of up to 25% of purchase price may apply.  Special orders and dangerous goods are non-returnable.

**There's a 20% Restocking Fee on All Returned Palmgren Products in Original Packaging

To get your RMA, simply call (800) 364-4637 for a return authorization number or email sales@palmerpower.com .

(Do not write anything on the manufacturer's original package or use as a shipping carton. Include all accessories, manuals and warranties.) Please include a copy of the packing list or invoice with a reason for the return. Your return authorization number is valid for thirty days.

To check the status of your return, please email us at sales@palmerpower.com. Please be sure to include your RMA number. For more information please check our FAQ page.

Shipping

We can ship to virtually any address in the world. Note that there are restrictions on some products, and some products cannot be shipped to international destinations.

When you place an order, we will estimate shipping and delivery dates for you based on the availability of your items and the shipping options you choose. Depending on the shipping provider you choose, shipping date estimates may appear on the shipping quotes page.

Please also note that the shipping rates for many items we sell are weight-based. The weight of any such item can be found on its detail page. To reflect the policies of the shipping companies we use, all weights will be rounded up to the next full pound.

Boat Services & Repairs in Houston

We will service your boat whether you bought it from us or not. Our award-winning boat service department has a full-time staff of seasoned, factory-certified technicians dedicated to ensuring that your boat runs well for years to come. Our team is trained to correctly diagnose issues, advise you of any developing problems, and address any unique service issues your boat may require. Whether you need complex engine work and repairs, canvas and upholstery, boat tune Up, electronics installation or repair, or boat detailing, our technicians will work quickly to keep you out of the shop and on the water. Not only does our service department provide the highest quality service, we also have a large parts department for the do-it-yourself types. Ask about our inventory of parts and aftermarket additions to make your own repairs or upgrades.

Learn More

boat repair service boat Sterndrive repair

Frequently Asked Questions

  • How do I request a quote?
    To request a quote for pricing on any Palmer Power's products, please see our request a quote page. Fill out and submit our quote form and one of our representatives will contact you when your quote is ready.
  • Do you have any Minimum Order Restriction?
    Palmer Power Does not have any Minimum Order Restriction.
  • Will my order be subject to sales tax?
    Estimated state sales tax will appear within your shopping cart for all shipments within the United states unless a signed official state tax exemption certificate is furnished to Palmer Power.
  • How do I check my Order Status?
    To check the status of an online order, email sales@palmerpower.com. Please be sure to include your order number.
  • How do I Return items?

    All returns must be authorized. Items returned prior authorization will not be accepted. International customers must ship any returns to us freight and duty prepaid. Return freight charges for International shipments will be the responsibility of the customer.

    Defective new equipment may be returned for warranty repair/exchange to us within five (5) days of the shipment receipt date. After five (5) days, returns will be handled by direct contact and in accordance with the warranty terms of the item's manufacturer. Items that have malfunctioned due to mishandling, electrical overload, etc., will be subject to a repair charge.

    Non-Defective new equipment will be authorized for return within five (5) days of the shipment receipt date if the equipment is still in new, re-sellable condition with the original manual(s), accessories, packing material and carton. We reserve the right to reject returns in which there is no original packaging, missing accessories, damage or visible signs of usage of the item. A restocking fee of up to 25% of purchase price may apply. Special orders and dangerous goods are non-returnable.

    (Do not write anything on the manufacturer's original package or use as a shipping carton. Include all accessories, manuals and warranties.) Please include a copy of the packing list or invoice with a reason for the return. Your return authorization number is valid for thirty days.

  • What payment options do I have?

    Palmer Power accepts a variety of payment options for your convenience. For prepayment, we accept all major credit cards (Visa, MasterCard, Discover and American Express), Purchase Orders, and international wire transfers. We also offer credit terms to existing customers.

Fast Delivery
Dealer Program
Secure Shopping
30-Day Free Returns