YANMAR 177551-02200 Cover Assy - Palmer Power
close
close
click to zoom in
  • Guaranteed Fitment

    Always the correct part

  • In-House Experts

    We know our products

  • Boat Repair Service

    Diagnostics, Repairs, and Maintenance

  • Fast Delivery

YANMAR 177551-02200 Cover Assy

Write a Review
$5,860.59
SKU:
177551-02200
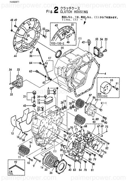
Schematic Object Key:
65

YANMAR 177551-02200 Cover Assy

$5,860.59

Disclaimer: Please note that the items featured in the image (schematic diagram) are not sold as a bundled set. To facilitate your search, kindly refer to the schematic object key provided below in order to locate a specific item within the image.

YANMAR 177551-02200 Cover Assy

Schematic Object Key : 65

Product Description : COVER ASSY

Disclaimer: Each item listed in the table below is available for individual purchase and is not sold as part of a package or set.

Other Components:

Ref Description Part No.
1-1 CASE ASSY 177551-02041
4 GASKET, COVER 177551-02030
5 PIN, PARALLEL M12X25 22312-120250
6 PLUG, R03 23871-030000
7 PLUG, R04 23873-040000
8 BOLT, M10X 70 PLATED 26106-100702
9 BOLT, M10X120 PLATED 26116-101202
10 BOLT, M10X 70 PLATED 26203-100702
11 SHIM SET 177411-02550
12 COVER 177055-02750
13-1 SHIM SET 177010-02551
14 GASKET, COVER 177055-02760
15 PLATE, BAFFLE 177055-02800
16 PLATE, BAFFLE 177055-02810
17 COVER 145610-82450
18 PACKING 145610-82460
19 PLUG, MAGNET M16X1.5 177035-02920
20 SHIM SET 139683-82550
21 PLUG ASSY, M30X1.5 123672-82850
26 WASHER 8 22151-080000
27 GASKET, 13X1.0 23414-130000
28 GASKET, 16X1.0 23414-160000
29 GASKET, 17X1.0 23414-170000
30 GASKET, 20X1.0 23414-200000
31 PLUG G1/4 23897-020002
32 PLUG, 20 23883-200002
33 PLUG G3/8,HEX. 23897-030002
34 PLUG, 20 23887-200002
35 SEAL, OIL TC8511013 24423-851013
36 SEAL, OIL TC9011513 24423-901513
37 BOLT, M8X 14 PLATED 26106-080142
38 BOLT, M8X 14 PLATED 26106-080142
39 BOLT, M10X 20 PLATED 26106-100202
40 BOLT, M12X 30 PLATED 26116-120302
41 WASHER, SPRING 8 22217-080000
42 BOLT, EYE M16 26610-160002
43 WASHER, SEAL 30 22190-300002
44 FLANGE, MOUNTING 177501-02050
47 PIN, PARALLEL M10X25 22312-100250
48 NUT, M10 26366-100002
49 BOLT, M10X 25 PLATED 26106-100252
50 STUD, M10X 25 26216-100252
52 GASKET, 18X1.0 23414-180000
52A PLUG, 18 23887-180002
53 FOOT, MOUNTING 177019-02830
54 PIN, PARALLEL M12X32 22312-120320
55 BOLT, M16X 40 PLATED 26156-160402
56 DIPSTICK 42130-501290
57 PIPE ASSY, DIPSTICK 177066-02300
60 CLAMP, A10X12 23297-100121
62 BOLT 177055-02710
63 GASKET, 16X1.0 23414-160000
64 BOLT, M10X 16 PLATED 26106-100162
65 COVER ASSY 177551-02200
67 PLUG, PT1/8 124060-01050
68 PLUG, R04 23871-040000
69 PLUG, R02 23871-020000
70 GASKET, COVER 177551-02240
71 THROTTLE, 3.0 177551-04270
72 GASKET, WATER PUMP 124223-42020
72-1 GASKET 124223-42021
72-2 GASKET 177561-02400
73 COVER 145410-82800
74 GASKET, 12X1.0 23414-120000
75 PLUG, R01 23871-010000
76 PLUG, 12 23887-120002
77 BOLT, M8X 16 PLATED 26106-080162
78 BOLT, M10X 30 PLATED 26106-100302
79 BOLT, M10X 55 PLATED 26106-100552
80 BOLT, M10X 70 PLATED 26106-100702
81 BOLT, M10X 90 PLATED 26106-100902
82 BOLT, M10X150 PLATED 26116-101502
83 BOLT, M10X190 PLATED 26116-101902
84 SCREW, M10X10 26911-100102
85-1 COVER 177551-02131
86 GASKET, COVER 177551-02140
87 THROTTLE, 3.0 177551-04270
88 GASKET, 12X1.0 23414-120016
89 PLUG, R02 23871-020000
90 PLUG, 12 23887-120002
91 BOLT, M10X 80 PLATED 26106-100802
91-1 BOLT, M10X 30 PLATED 26106-100302
92 WRENCH 177055-09050

Returns Policy

All returns must be authorized. Items returned prior authorization will not be accepted.

Defective new equipment may be returned for warranty repair/exchange to us within five (5) days of the shipment receipt date.  After five (5) days, returns will be handled by direct contact and in accordance with the warranty terms of the item's manufacturer.  Items that have malfunctioned due to mishandling, electrical overload, etc., will be subject to a repair charge. 

Non-Defective new equipment will be authorized for return within five (5) days of the shipment receipt date if the equipment is still in new, re-sellable condition with the original manual(s), accessories, packing material and carton. We reserve the right to reject returns in which there is no original packaging, missing accessories, damage or visible signs of usage of the item.  A restocking fee of up to 25% of purchase price may apply.  Special orders and dangerous goods are non-returnable.

**There's a 20% Restocking Fee on All Returned Palmgren Products in Original Packaging

To get your RMA, simply call (800) 364-4637 for a return authorization number or email sales@palmerpower.com .

(Do not write anything on the manufacturer's original package or use as a shipping carton. Include all accessories, manuals and warranties.) Please include a copy of the packing list or invoice with a reason for the return. Your return authorization number is valid for thirty days.

To check the status of your return, please email us at sales@palmerpower.com. Please be sure to include your RMA number. For more information please check our FAQ page.

Shipping

We can ship to virtually any address in the world. Note that there are restrictions on some products, and some products cannot be shipped to international destinations.

When you place an order, we will estimate shipping and delivery dates for you based on the availability of your items and the shipping options you choose. Depending on the shipping provider you choose, shipping date estimates may appear on the shipping quotes page.

Please also note that the shipping rates for many items we sell are weight-based. The weight of any such item can be found on its detail page. To reflect the policies of the shipping companies we use, all weights will be rounded up to the next full pound.

Boat Services & Repairs in Houston

We will service your boat whether you bought it from us or not. Our award-winning boat service department has a full-time staff of seasoned, factory-certified technicians dedicated to ensuring that your boat runs well for years to come. Our team is trained to correctly diagnose issues, advise you of any developing problems, and address any unique service issues your boat may require. Whether you need complex engine work and repairs, canvas and upholstery, boat tune Up, electronics installation or repair, or boat detailing, our technicians will work quickly to keep you out of the shop and on the water. Not only does our service department provide the highest quality service, we also have a large parts department for the do-it-yourself types. Ask about our inventory of parts and aftermarket additions to make your own repairs or upgrades.

Learn More

boat repair service boat Sterndrive repair

Frequently Asked Questions

  • How do I request a quote?
    To request a quote for pricing on any Palmer Power's products, please see our request a quote page. Fill out and submit our quote form and one of our representatives will contact you when your quote is ready.
  • Do you have any Minimum Order Restriction?
    Palmer Power Does not have any Minimum Order Restriction.
  • Will my order be subject to sales tax?
    Estimated state sales tax will appear within your shopping cart for all shipments within the United states unless a signed official state tax exemption certificate is furnished to Palmer Power.
  • How do I check my Order Status?
    To check the status of an online order, email sales@palmerpower.com. Please be sure to include your order number.
  • How do I Return items?

    All returns must be authorized. Items returned prior authorization will not be accepted. International customers must ship any returns to us freight and duty prepaid. Return freight charges for International shipments will be the responsibility of the customer.

    Defective new equipment may be returned for warranty repair/exchange to us within five (5) days of the shipment receipt date. After five (5) days, returns will be handled by direct contact and in accordance with the warranty terms of the item's manufacturer. Items that have malfunctioned due to mishandling, electrical overload, etc., will be subject to a repair charge.

    Non-Defective new equipment will be authorized for return within five (5) days of the shipment receipt date if the equipment is still in new, re-sellable condition with the original manual(s), accessories, packing material and carton. We reserve the right to reject returns in which there is no original packaging, missing accessories, damage or visible signs of usage of the item. A restocking fee of up to 25% of purchase price may apply. Special orders and dangerous goods are non-returnable.

    (Do not write anything on the manufacturer's original package or use as a shipping carton. Include all accessories, manuals and warranties.) Please include a copy of the packing list or invoice with a reason for the return. Your return authorization number is valid for thirty days.

  • What payment options do I have?

    Palmer Power accepts a variety of payment options for your convenience. For prepayment, we accept all major credit cards (Visa, MasterCard, Discover and American Express), Purchase Orders, and international wire transfers. We also offer credit terms to existing customers.

Fast Delivery
Dealer Program
Secure Shopping
30-Day Free Returns