YANMAR 196350-06091 Plate Assy, Case | PalmerPower
close
close
click to zoom in
  • Guaranteed Fitment

    Always the correct part

  • In-House Experts

    We know our products

  • Boat Repair Service

    Diagnostics, Repairs, and Maintenance

  • Fast Delivery

YANMAR 196350-06091 Plate Assy, Case

Write a Review
$824.17
SKU:
196350-06091
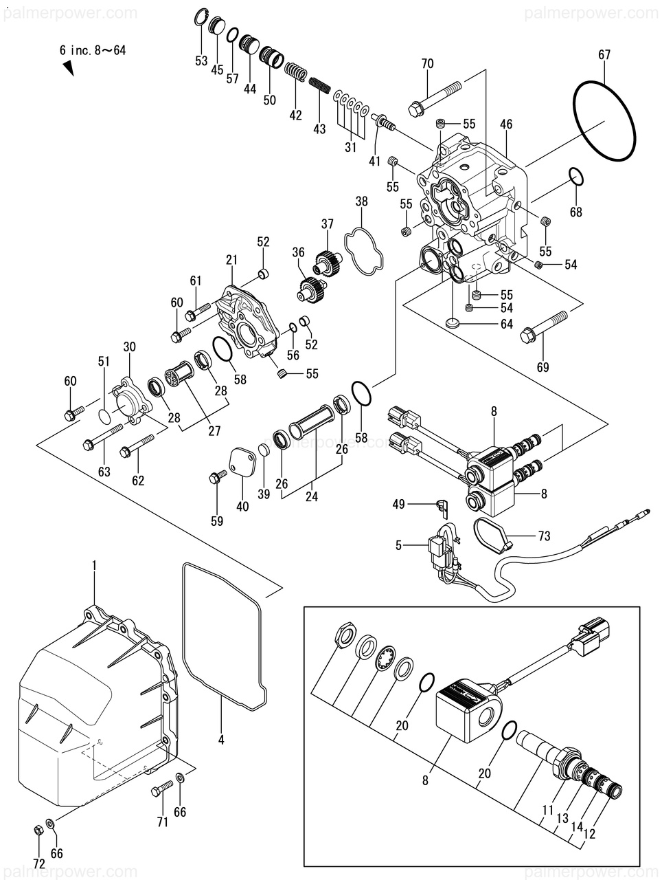
Schematic Object Key:
46

YANMAR 196350-06091 Plate Assy, Case

$824.17

Disclaimer: Please note that the items featured in the image (schematic diagram) are not sold as a bundled set. To facilitate your search, kindly refer to the schematic object key provided below in order to locate a specific item within the image.

YANMAR 196350-06091 Plate Assy, Case

Schematic Object Key : 46

Product Description : PLATE ASSY, CASE 196350-06091

Disclaimer: Each item listed in the table below is available for individual purchase and is not sold as part of a package or set.

Other Components:

Ref Description Part No.
1 COVER ASSY, PLATE 196350-02961
4 GASKET, COVER 196350-02990
5-1 CONNECTOR, HARNESS 196350-06421
6-2 CASE PLATE,4M E SET 196350-12733
8 SOLENOID 168136-00070
11 O-RING, 4D19016 24356-190160
12 O-RING, 10.0 HNBR 41851-000100
13 O-RING 41851-000110
14 O-RING, 10A 41851-240100
20 O-RING, 4DP14.0 24316-000140
21 COVER ASSY 196350-02411
24 FILTER ASSY 196350-02422
26 RUBBER, FILTER 196350-02441
27 FILTER ASSY, COVER 196350-02451
28 RUBBER, FILTER 196350-02441
30-2 COVER,PUMP FILTER 196350-02502
31 SHIM SET, 15/6 196350-02750
36 GEAR, PUMP DRIVE 196350-02820
37 GEAR, PUMP DRIVE 196350-02830
38 GASKET, PUMP 196350-02850
39 MAGNET 196350-02870
40 COVER, FILTER 196350-02880
41 VALVE, HYDRAULIC OIL 196350-02900
42 SPRING, OUTER 196350-02910
43 SPRING, INNER 196350-02920
44 VALVE 196350-02930
45 SPACER, VALVE 196350-02940
46 PLATE ASSY, CASE 196350-06091
49 TIE, MARKING 196350-06390
50 VALVE 196350-12750
51 LABEL, 4MPA 196350-12890
52 PIN, 11X7 194521-41570
53 RING, 22 22252-000220
54 PLUG, R005 23876-005000
55 PLUG, R01 23876-010000
56 O-RING, 1AP10.0 24311-000100
57 O-RING, 1AP16.0 24311-000160
58 O-RING, 1AS30.0 24341-000300
59 BOLT, M6X 16 PLATED 26106-060162
60 BOLT, M6X 20 PLATED 26106-060202
61 BOLT, M6X 30 PLATED 26106-060302
62 BOLT, M6X 45 PLATED 26106-060452
63 BOLT, M6X 55 PLATED 26106-060552
64 PLUG, 16 27243-160000
66 WASHER, 6 22133-060000
67 O-RING, 1AG105.0 24321-001050
68 O-RING, 1AS22.0 24341-000220
69 BOLT, M10X 60 PLATED 26106-100602
70 BOLT, M10X 70 PLATED 26106-100702
71 BOLT, M6X 25 26113-060252
72 NUT, M6 26713-060002
73 BAND, 200 29621-200000

YANMAR 196350-06091 Plate Assy, Case

Returns Policy

All returns must be authorized. Items returned prior authorization will not be accepted.

Defective new equipment may be returned for warranty repair/exchange to us within five (5) days of the shipment receipt date.  After five (5) days, returns will be handled by direct contact and in accordance with the warranty terms of the item's manufacturer.  Items that have malfunctioned due to mishandling, electrical overload, etc., will be subject to a repair charge. 

Non-Defective new equipment will be authorized for return within five (5) days of the shipment receipt date if the equipment is still in new, re-sellable condition with the original manual(s), accessories, packing material and carton. We reserve the right to reject returns in which there is no original packaging, missing accessories, damage or visible signs of usage of the item.  A restocking fee of up to 25% of purchase price may apply.  Special orders and dangerous goods are non-returnable.

**There's a 20% Restocking Fee on All Returned Palmgren Products in Original Packaging

To get your RMA, simply call (800) 364-4637 for a return authorization number or email sales@palmerpower.com .

(Do not write anything on the manufacturer's original package or use as a shipping carton. Include all accessories, manuals and warranties.) Please include a copy of the packing list or invoice with a reason for the return. Your return authorization number is valid for thirty days.

To check the status of your return, please email us at sales@palmerpower.com. Please be sure to include your RMA number. For more information please check our FAQ page.

Shipping

We can ship to virtually any address in the world. Note that there are restrictions on some products, and some products cannot be shipped to international destinations.

When you place an order, we will estimate shipping and delivery dates for you based on the availability of your items and the shipping options you choose. Depending on the shipping provider you choose, shipping date estimates may appear on the shipping quotes page.

Please also note that the shipping rates for many items we sell are weight-based. The weight of any such item can be found on its detail page. To reflect the policies of the shipping companies we use, all weights will be rounded up to the next full pound.

Boat Services & Repairs in Houston

We will service your boat whether you bought it from us or not. Our award-winning boat service department has a full-time staff of seasoned, factory-certified technicians dedicated to ensuring that your boat runs well for years to come. Our team is trained to correctly diagnose issues, advise you of any developing problems, and address any unique service issues your boat may require. Whether you need complex engine work and repairs, canvas and upholstery, boat tune Up, electronics installation or repair, or boat detailing, our technicians will work quickly to keep you out of the shop and on the water. Not only does our service department provide the highest quality service, we also have a large parts department for the do-it-yourself types. Ask about our inventory of parts and aftermarket additions to make your own repairs or upgrades.

Learn More

boat repair service boat Sterndrive repair

Frequently Asked Questions

  • How do I request a quote?
    To request a quote for pricing on any Palmer Power's products, please see our request a quote page. Fill out and submit our quote form and one of our representatives will contact you when your quote is ready.
  • Do you have any Minimum Order Restriction?
    Palmer Power Does not have any Minimum Order Restriction.
  • Will my order be subject to sales tax?
    Estimated state sales tax will appear within your shopping cart for all shipments within the United states unless a signed official state tax exemption certificate is furnished to Palmer Power.
  • How do I check my Order Status?
    To check the status of an online order, email sales@palmerpower.com. Please be sure to include your order number.
  • How do I Return items?

    All returns must be authorized. Items returned prior authorization will not be accepted. International customers must ship any returns to us freight and duty prepaid. Return freight charges for International shipments will be the responsibility of the customer.

    Defective new equipment may be returned for warranty repair/exchange to us within five (5) days of the shipment receipt date. After five (5) days, returns will be handled by direct contact and in accordance with the warranty terms of the item's manufacturer. Items that have malfunctioned due to mishandling, electrical overload, etc., will be subject to a repair charge.

    Non-Defective new equipment will be authorized for return within five (5) days of the shipment receipt date if the equipment is still in new, re-sellable condition with the original manual(s), accessories, packing material and carton. We reserve the right to reject returns in which there is no original packaging, missing accessories, damage or visible signs of usage of the item. A restocking fee of up to 25% of purchase price may apply. Special orders and dangerous goods are non-returnable.

    (Do not write anything on the manufacturer's original package or use as a shipping carton. Include all accessories, manuals and warranties.) Please include a copy of the packing list or invoice with a reason for the return. Your return authorization number is valid for thirty days.

  • What payment options do I have?

    Palmer Power accepts a variety of payment options for your convenience. For prepayment, we accept all major credit cards (Visa, MasterCard, Discover and American Express), Purchase Orders, and international wire transfers. We also offer credit terms to existing customers.

Fast Delivery
Dealer Program
Secure Shopping
30-Day Free Returns