YANMAR 196350-08110 Pipe, Water | PalmerPower
close
close
click to zoom in
  • Guaranteed Fitment

    Always the correct part

  • In-House Experts

    We know our products

  • Boat Repair Service

    Diagnostics, Repairs, and Maintenance

  • Fast Delivery

YANMAR 196350-08110 Pipe, Water

Write a Review
$11.18
SKU:
196350-08110
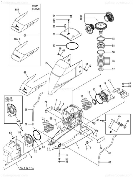
Schematic Object Key:
62

YANMAR 196350-08110 Pipe, Water

$11.18

Disclaimer: Please note that the items featured in the image (schematic diagram) are not sold as a bundled set. To facilitate your search, kindly refer to the schematic object key provided below in order to locate a specific item within the image.

YANMAR 196350-08110 Pipe, Water

Schematic Object Key : 62

Product Description : PIPE, WATER 196350-08110

Disclaimer: Each item listed in the table below is available for individual purchase and is not sold as part of a package or set.

Other Components:

Ref Description Part No.
2 GASKET 189010-01130
3A HOUSING,DRIVE SHAFT 196350-52020
4 PLATE, GROUND 196350-02100
5 COVER, OIL LEVEL 196350-02320
6 PLUG 196324-02420
7 GAUGE, OIL LEVEL 196312-06400
8 BOLT, M6X 8 26113-060082
9 STUD, M6X 25 26223-060252
10-1 STUD, 2D 10X30 196350-12060
10-2 STUD, M10X32 196350-12061
11 SCREW, M5X 8 26553-050082
12 PLUG, BORE 15 27260-150000
14A COVER, FRONT 196350-52040
15 O-RING, 1AG110.0 24321-001100
16 SEAL, OIL TC456209 24423-456209
17 BOLT, M10X 30 26453-100302
18 SCREW 196350-02050
19 BOLT, M8X12 196350-02060
20 COVER, REAR 196350-02070
21-1 PAD, L 196350-02081
22-1 PAD, R 196350-02091
23 SHIM SET, 72/62 196311-02310
30 GASKET 189010-01130
31A COVER, TOP 196350-52300
32 PLUG 196324-02420
33-1 O-RING, 1AG120.0 24321-001200
34 BOLT, M8X 25 26453-080252
35 BOLT, M10X 30 26453-100302
36 SHIM SET, 70/80 196320-02320
42 ANODE, D/S HOUSING 196350-02350
43 SCREW ASSY, VALVE 196350-02360
44 SCREW, M12 196350-02370
45 VALVE ASSY 196350-02390
49 O-RING, 1AP6.0 24311-000060
50 SPACER, 80/76.5 196350-02400
52A HOUSING, BEARING 196350-12480
53 O-RING, 1AG110.0 24321-001100
54 O-RING, 1AS22.0 24341-000220
55 BOLT, M6X 14 26453-060142
56 NUT, NYLON M10 196350-02590
57 NUT, LOCK 35 196350-04450
58 BEARING, 30307DJR 196350-04460
62 PIPE, WATER 196350-08110
63 WASHER, 10 22133-100000
64 WASHER, SEAL 10 22193-100003
65 WASHER, SPRING 8 22213-080000
66 PIPE, 8X 400 23061-080400
67 BOLT, M8X 20 PLATED 26203-080202
68A-1 LABEL, BRAND MARK 196350-12621
69-1 RIVET, 2X5 196420-12810
72-1 GEAR SET,UPPER 196350-14570

YANMAR 196350-08110 Pipe, Water

Returns Policy

All returns must be authorized. Items returned prior authorization will not be accepted.

Defective new equipment may be returned for warranty repair/exchange to us within five (5) days of the shipment receipt date.  After five (5) days, returns will be handled by direct contact and in accordance with the warranty terms of the item's manufacturer.  Items that have malfunctioned due to mishandling, electrical overload, etc., will be subject to a repair charge. 

Non-Defective new equipment will be authorized for return within five (5) days of the shipment receipt date if the equipment is still in new, re-sellable condition with the original manual(s), accessories, packing material and carton. We reserve the right to reject returns in which there is no original packaging, missing accessories, damage or visible signs of usage of the item.  A restocking fee of up to 25% of purchase price may apply.  Special orders and dangerous goods are non-returnable.

**There's a 20% Restocking Fee on All Returned Palmgren Products in Original Packaging

To get your RMA, simply call (800) 364-4637 for a return authorization number or email sales@palmerpower.com .

(Do not write anything on the manufacturer's original package or use as a shipping carton. Include all accessories, manuals and warranties.) Please include a copy of the packing list or invoice with a reason for the return. Your return authorization number is valid for thirty days.

To check the status of your return, please email us at sales@palmerpower.com. Please be sure to include your RMA number. For more information please check our FAQ page.

Shipping

We can ship to virtually any address in the world. Note that there are restrictions on some products, and some products cannot be shipped to international destinations.

When you place an order, we will estimate shipping and delivery dates for you based on the availability of your items and the shipping options you choose. Depending on the shipping provider you choose, shipping date estimates may appear on the shipping quotes page.

Please also note that the shipping rates for many items we sell are weight-based. The weight of any such item can be found on its detail page. To reflect the policies of the shipping companies we use, all weights will be rounded up to the next full pound.

Boat Services & Repairs in Houston

We will service your boat whether you bought it from us or not. Our award-winning boat service department has a full-time staff of seasoned, factory-certified technicians dedicated to ensuring that your boat runs well for years to come. Our team is trained to correctly diagnose issues, advise you of any developing problems, and address any unique service issues your boat may require. Whether you need complex engine work and repairs, canvas and upholstery, boat tune Up, electronics installation or repair, or boat detailing, our technicians will work quickly to keep you out of the shop and on the water. Not only does our service department provide the highest quality service, we also have a large parts department for the do-it-yourself types. Ask about our inventory of parts and aftermarket additions to make your own repairs or upgrades.

Learn More

boat repair service boat Sterndrive repair

Frequently Asked Questions

  • How do I request a quote?
    To request a quote for pricing on any Palmer Power's products, please see our request a quote page. Fill out and submit our quote form and one of our representatives will contact you when your quote is ready.
  • Do you have any Minimum Order Restriction?
    Palmer Power Does not have any Minimum Order Restriction.
  • Will my order be subject to sales tax?
    Estimated state sales tax will appear within your shopping cart for all shipments within the United states unless a signed official state tax exemption certificate is furnished to Palmer Power.
  • How do I check my Order Status?
    To check the status of an online order, email sales@palmerpower.com. Please be sure to include your order number.
  • How do I Return items?

    All returns must be authorized. Items returned prior authorization will not be accepted. International customers must ship any returns to us freight and duty prepaid. Return freight charges for International shipments will be the responsibility of the customer.

    Defective new equipment may be returned for warranty repair/exchange to us within five (5) days of the shipment receipt date. After five (5) days, returns will be handled by direct contact and in accordance with the warranty terms of the item's manufacturer. Items that have malfunctioned due to mishandling, electrical overload, etc., will be subject to a repair charge.

    Non-Defective new equipment will be authorized for return within five (5) days of the shipment receipt date if the equipment is still in new, re-sellable condition with the original manual(s), accessories, packing material and carton. We reserve the right to reject returns in which there is no original packaging, missing accessories, damage or visible signs of usage of the item. A restocking fee of up to 25% of purchase price may apply. Special orders and dangerous goods are non-returnable.

    (Do not write anything on the manufacturer's original package or use as a shipping carton. Include all accessories, manuals and warranties.) Please include a copy of the packing list or invoice with a reason for the return. Your return authorization number is valid for thirty days.

  • What payment options do I have?

    Palmer Power accepts a variety of payment options for your convenience. For prepayment, we accept all major credit cards (Visa, MasterCard, Discover and American Express), Purchase Orders, and international wire transfers. We also offer credit terms to existing customers.

Fast Delivery
Dealer Program
Secure Shopping
30-Day Free Returns