YANMAR 196399-21121 Pump Assy, 8A - Palmer Power
close
close
click to zoom in
  • Guaranteed Fitment

    Always the correct part

  • In-House Experts

    We know our products

  • Boat Repair Service

    Diagnostics, Repairs, and Maintenance

  • Fast Delivery

YANMAR 196399-21121 Pump Assy, 8A

Write a Review
$1,493.47
SKU:
196399-21121
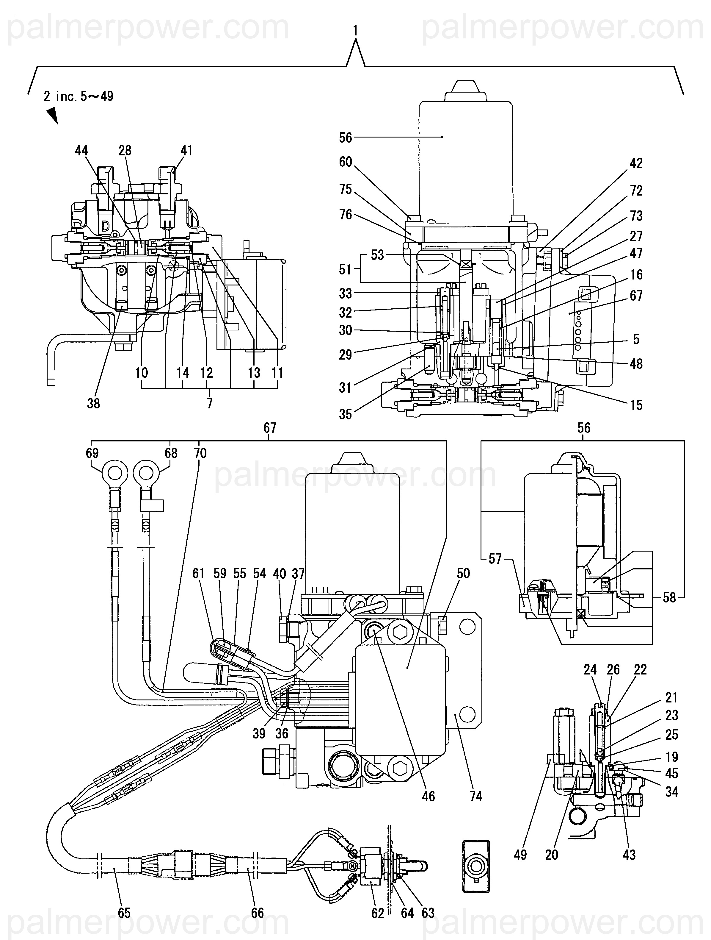
Schematic Object Key:
2

YANMAR 196399-21121 Pump Assy, 8A

$1,493.47

Disclaimer: Please note that the items featured in the image (schematic diagram) are not sold as a bundled set. To facilitate your search, kindly refer to the schematic object key provided below in order to locate a specific item within the image.

YANMAR 196399-21121 Pump Assy, 8A

Schematic Object Key : 2

Product Description : PUMP ASSY, 8A

Disclaimer: Each item listed in the table below is available for individual purchase and is not sold as part of a package or set.

Other Components:

Ref Description Part No.
1 POWER-UNIT,HYDRAULIC 196315-07021
2 PUMP ASSY, 8A 196399-21121
5 VALVE, RELIEF 196399-01300
7 HOLDER ASSY,CHAIN 8A 196399-01490
10 O-RING, 1B S 10.0 196399-11500
11 PLUG, DRAIN 129350-49120
12 SPRING 196399-01460
13 O-RING, 1BP12.0 24315-000120
14 O-RING, 1BP14.0 24315-000140
15 O-RING, 1BP3.0 24315-000030
16 SPRING, VALVE 196399-01310
19 WASHER, FILTER 196399-21150
20 GEAR, 1ST 196398-01230
21 SPRING, PILOT 178073-02330
22 BODY, RELIEF VALVE 196399-21360
23 HOLDER, BALL 196399-21370
24 SCREW 196399-21380
25 BALL, STEEL 5/32 24190-050001
26 NUT, LOCK M8 26776-080002
27 SCREW 196399-01400
28 PISTON 196398-01500
29 PILOT VALVE 178073-02310
30 SPRING, PILOT 178073-02330
31 BODY, RELIEF VALVE 196399-21360
32 SCREW 196399-21380
33 NUT, LOCK M8 26772-080002
34 STRAINER 192157-24801
35 PIN, PARALLEL M8X16 22312-080160
36 GASKET, 8X1.0 23414-080000
37 GASKET, 12X1.0 23414-120000
38 PLUG, R01 23871-010000
39 PLUG 8 23887-080002
40 PLUG, 12 23887-120002
41 ADAPTER, 1/4 196320-07970
42 SPACER 196399-05360
43 BALL, STEEL 9/32 24190-090001
44 O-RING, 1AP8.0 24311-000080
45 O-RING, 1AP10.0 24311-000100
46 BOLT, M6X 16 PLATED 26106-060162
47 NUT, LOCK M10 26776-100002
48 O-RING, 1AS75.0 24341-000750
49 BOLT, M8X 25 26450-080252
50 BOLT, M8X 20 26016-080202
51 JOINT ASSY 196399-21231
53 CIRCLIP, C9 196901-80100
54 BINDER 1683J1-02310
55 CAP 196399-05780
56 MOTOR, DC 12V 196399-25100
57 BRACKET ASSY,FRONT X134001180X9
58 BRUSH & SEAL SET X139901100X0
59 SCREW, M6X 8 26022-060082
60 BOLT, M6X 25 PLATED 26106-060252
61 NUT, LOCK M6 26756-060002
62 SWITCH 196399-05100
63 CAP, SWITCH 196399-05110
64 LABEL, UP-DOWN 196399-05141
65 CABLE, L=6800 196399-05202
66 CONNECTOR, L=200 196399-05281
67 CONTROLLER ASSY, 12V 196399-05640
68 CABLE 196399-05211
69 CABLE 196399-05222
70 CABLE 196399-05590
72 WASHER, 6 22157-060000
73 BOLT, M6X 20 PLATED 26116-060202
74 BRACKET 196399-05370
75 SPACER 196399-25200
76 O-RING, 1AS70.0 24341-000700

Returns Policy

All returns must be authorized. Items returned prior authorization will not be accepted.

Defective new equipment may be returned for warranty repair/exchange to us within five (5) days of the shipment receipt date.  After five (5) days, returns will be handled by direct contact and in accordance with the warranty terms of the item's manufacturer.  Items that have malfunctioned due to mishandling, electrical overload, etc., will be subject to a repair charge. 

Non-Defective new equipment will be authorized for return within five (5) days of the shipment receipt date if the equipment is still in new, re-sellable condition with the original manual(s), accessories, packing material and carton. We reserve the right to reject returns in which there is no original packaging, missing accessories, damage or visible signs of usage of the item.  A restocking fee of up to 25% of purchase price may apply.  Special orders and dangerous goods are non-returnable.

**There's a 20% Restocking Fee on All Returned Palmgren Products in Original Packaging

To get your RMA, simply call (800) 364-4637 for a return authorization number or email sales@palmerpower.com .

(Do not write anything on the manufacturer's original package or use as a shipping carton. Include all accessories, manuals and warranties.) Please include a copy of the packing list or invoice with a reason for the return. Your return authorization number is valid for thirty days.

To check the status of your return, please email us at sales@palmerpower.com. Please be sure to include your RMA number. For more information please check our FAQ page.

Shipping

We can ship to virtually any address in the world. Note that there are restrictions on some products, and some products cannot be shipped to international destinations.

When you place an order, we will estimate shipping and delivery dates for you based on the availability of your items and the shipping options you choose. Depending on the shipping provider you choose, shipping date estimates may appear on the shipping quotes page.

Please also note that the shipping rates for many items we sell are weight-based. The weight of any such item can be found on its detail page. To reflect the policies of the shipping companies we use, all weights will be rounded up to the next full pound.

Boat Services & Repairs in Houston

We will service your boat whether you bought it from us or not. Our award-winning boat service department has a full-time staff of seasoned, factory-certified technicians dedicated to ensuring that your boat runs well for years to come. Our team is trained to correctly diagnose issues, advise you of any developing problems, and address any unique service issues your boat may require. Whether you need complex engine work and repairs, canvas and upholstery, boat tune Up, electronics installation or repair, or boat detailing, our technicians will work quickly to keep you out of the shop and on the water. Not only does our service department provide the highest quality service, we also have a large parts department for the do-it-yourself types. Ask about our inventory of parts and aftermarket additions to make your own repairs or upgrades.

Learn More

boat repair service boat Sterndrive repair

Frequently Asked Questions

  • How do I request a quote?
    To request a quote for pricing on any Palmer Power's products, please see our request a quote page. Fill out and submit our quote form and one of our representatives will contact you when your quote is ready.
  • Do you have any Minimum Order Restriction?
    Palmer Power Does not have any Minimum Order Restriction.
  • Will my order be subject to sales tax?
    Estimated state sales tax will appear within your shopping cart for all shipments within the United states unless a signed official state tax exemption certificate is furnished to Palmer Power.
  • How do I check my Order Status?
    To check the status of an online order, email sales@palmerpower.com. Please be sure to include your order number.
  • How do I Return items?

    All returns must be authorized. Items returned prior authorization will not be accepted. International customers must ship any returns to us freight and duty prepaid. Return freight charges for International shipments will be the responsibility of the customer.

    Defective new equipment may be returned for warranty repair/exchange to us within five (5) days of the shipment receipt date. After five (5) days, returns will be handled by direct contact and in accordance with the warranty terms of the item's manufacturer. Items that have malfunctioned due to mishandling, electrical overload, etc., will be subject to a repair charge.

    Non-Defective new equipment will be authorized for return within five (5) days of the shipment receipt date if the equipment is still in new, re-sellable condition with the original manual(s), accessories, packing material and carton. We reserve the right to reject returns in which there is no original packaging, missing accessories, damage or visible signs of usage of the item. A restocking fee of up to 25% of purchase price may apply. Special orders and dangerous goods are non-returnable.

    (Do not write anything on the manufacturer's original package or use as a shipping carton. Include all accessories, manuals and warranties.) Please include a copy of the packing list or invoice with a reason for the return. Your return authorization number is valid for thirty days.

  • What payment options do I have?

    Palmer Power accepts a variety of payment options for your convenience. For prepayment, we accept all major credit cards (Visa, MasterCard, Discover and American Express), Purchase Orders, and international wire transfers. We also offer credit terms to existing customers.

Fast Delivery
Dealer Program
Secure Shopping
30-Day Free Returns