YANMAR 196420-02530 Plug, M10 | PalmerPower
close
close
click to zoom in
  • Guaranteed Fitment

    Always the correct part

  • In-House Experts

    We know our products

  • Boat Repair Service

    Diagnostics, Repairs, and Maintenance

  • Fast Delivery

YANMAR 196420-02530 Plug, M10

Write a Review
$33.92
SKU:
196420-02530
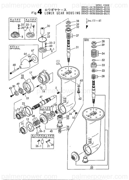
Schematic Object Key:
10

YANMAR 196420-02530 Plug, M10

$33.92

Disclaimer: Please note that the items featured in the image (schematic diagram) are not sold as a bundled set. To facilitate your search, kindly refer to the schematic object key provided below in order to locate a specific item within the image.

YANMAR 196420-02530 Plug, M10

Schematic Object Key : 10

Product Description : PLUG, M10 196420-02530

Disclaimer: Each item listed in the table below is available for individual purchase and is not sold as part of a package or set.

Other Components:

Ref Description Part No.
2 HOUSING ASSY, GEAR 796431-02910
5 INSERT, LOCK 10X1.5 196420-02050
9 SUPPORT, BEARING 196431-02520
10 PLUG, M10 196420-02530
11 SEAL, OIL 196313-02590
12 RETAINER, BEARING 196420-02590
13 SPACER 196313-02600
14 COVER ASSY, REAR 196420-02601
16 INSERT, LOCK 6X1.5 196420-02620
17-1 BOLT, M10X 25 26453-100252
18 ZINC, ANTICORROSIVE 196420-02651
19-1 BOLT, M6X 20 26453-060202
22 O-RING, 1AG75.0 24321-000750
23 O-RING, 1AG95.0 24321-000950
24 O-RING, 1AS12.5 24341-000125
25-1 BOLT, M6X 20 26016-060202
25-2 BOLT, M6X 20 PLATED 26116-060202
26-1 BOLT, M6X 20 26016-060202
26-2 BOLT, M6X 20 PLATED 26116-060202
28 COLLAR SET 196313-04150
29-1 NUT, M14 196312-04401
30 SLEEVE, SPLINE 196311-04450
33 BEARING 196313-04470
35 BEARING, RNA4932RD2 196320-04760
36 WASHER, 14 196311-04490
37 RING, 16 22252-000160
38 NUT, BEARING 20 24211-020002
39 WASHER 20 24231-020000
43 BOLT, M8X25 196420-09260
44 BEARING, NA5903 196311-04060
45-1 NUT, BEARING 196313-04500
47-1 SHAFT, PROPELLER 196420-04512
48 COLLAR SET, GEAR 196311-04530
49 SPACER 196420-09250
50 NUT, PROPELLER 196420-09300
51 BEARING, BALL 5306 24512-053064
52 COLLAR, BEARING 3.2 196313-04180
53 SHIM SET, 20 196313-04350
54 SHIM SET, 47 196313-04400
55 GEAR SET, LOWER 196431-04850
60 WASHER 6 22282-060000
61 WASHER 6 22282-060000
62-1 BOLT, M10X 25 26453-100252
63 WASHER, 10 22113-100000
64 NUT ASSY, PROPELLER 196420-09200
66 INSERT, 16X2.0D 26273-160201
67 WASHER, PROPELLER 196420-09220
68 BOLT, M8X 75 26453-080752
69 ZINC, ANTI-CORROSIVE 196420-02640

Description

Genuine Yanmar SD20 Drain plug SD20 - 196420-02530



YANMAR 196420-02530 Plug, M10

Returns Policy

All returns must be authorized. Items returned prior authorization will not be accepted.

Defective new equipment may be returned for warranty repair/exchange to us within five (5) days of the shipment receipt date.  After five (5) days, returns will be handled by direct contact and in accordance with the warranty terms of the item's manufacturer.  Items that have malfunctioned due to mishandling, electrical overload, etc., will be subject to a repair charge. 

Non-Defective new equipment will be authorized for return within five (5) days of the shipment receipt date if the equipment is still in new, re-sellable condition with the original manual(s), accessories, packing material and carton. We reserve the right to reject returns in which there is no original packaging, missing accessories, damage or visible signs of usage of the item.  A restocking fee of up to 25% of purchase price may apply.  Special orders and dangerous goods are non-returnable.

**There's a 20% Restocking Fee on All Returned Palmgren Products in Original Packaging

To get your RMA, simply call (800) 364-4637 for a return authorization number or email sales@palmerpower.com .

(Do not write anything on the manufacturer's original package or use as a shipping carton. Include all accessories, manuals and warranties.) Please include a copy of the packing list or invoice with a reason for the return. Your return authorization number is valid for thirty days.

To check the status of your return, please email us at sales@palmerpower.com. Please be sure to include your RMA number. For more information please check our FAQ page.

Shipping

We can ship to virtually any address in the world. Note that there are restrictions on some products, and some products cannot be shipped to international destinations.

When you place an order, we will estimate shipping and delivery dates for you based on the availability of your items and the shipping options you choose. Depending on the shipping provider you choose, shipping date estimates may appear on the shipping quotes page.

Please also note that the shipping rates for many items we sell are weight-based. The weight of any such item can be found on its detail page. To reflect the policies of the shipping companies we use, all weights will be rounded up to the next full pound.

Boat Services & Repairs in Houston

We will service your boat whether you bought it from us or not. Our award-winning boat service department has a full-time staff of seasoned, factory-certified technicians dedicated to ensuring that your boat runs well for years to come. Our team is trained to correctly diagnose issues, advise you of any developing problems, and address any unique service issues your boat may require. Whether you need complex engine work and repairs, canvas and upholstery, boat tune Up, electronics installation or repair, or boat detailing, our technicians will work quickly to keep you out of the shop and on the water. Not only does our service department provide the highest quality service, we also have a large parts department for the do-it-yourself types. Ask about our inventory of parts and aftermarket additions to make your own repairs or upgrades.

Learn More

boat repair service boat Sterndrive repair

Frequently Asked Questions

  • How do I request a quote?
    To request a quote for pricing on any Palmer Power's products, please see our request a quote page. Fill out and submit our quote form and one of our representatives will contact you when your quote is ready.
  • Do you have any Minimum Order Restriction?
    Palmer Power Does not have any Minimum Order Restriction.
  • Will my order be subject to sales tax?
    Estimated state sales tax will appear within your shopping cart for all shipments within the United states unless a signed official state tax exemption certificate is furnished to Palmer Power.
  • How do I check my Order Status?
    To check the status of an online order, email sales@palmerpower.com. Please be sure to include your order number.
  • How do I Return items?

    All returns must be authorized. Items returned prior authorization will not be accepted. International customers must ship any returns to us freight and duty prepaid. Return freight charges for International shipments will be the responsibility of the customer.

    Defective new equipment may be returned for warranty repair/exchange to us within five (5) days of the shipment receipt date. After five (5) days, returns will be handled by direct contact and in accordance with the warranty terms of the item's manufacturer. Items that have malfunctioned due to mishandling, electrical overload, etc., will be subject to a repair charge.

    Non-Defective new equipment will be authorized for return within five (5) days of the shipment receipt date if the equipment is still in new, re-sellable condition with the original manual(s), accessories, packing material and carton. We reserve the right to reject returns in which there is no original packaging, missing accessories, damage or visible signs of usage of the item. A restocking fee of up to 25% of purchase price may apply. Special orders and dangerous goods are non-returnable.

    (Do not write anything on the manufacturer's original package or use as a shipping carton. Include all accessories, manuals and warranties.) Please include a copy of the packing list or invoice with a reason for the return. Your return authorization number is valid for thirty days.

  • What payment options do I have?

    Palmer Power accepts a variety of payment options for your convenience. For prepayment, we accept all major credit cards (Visa, MasterCard, Discover and American Express), Purchase Orders, and international wire transfers. We also offer credit terms to existing customers.

Fast Delivery
Dealer Program
Secure Shopping
30-Day Free Returns