YANMAR 196420-04150 Shim Set | PalmerPower
close
close
click to zoom in
  • Guaranteed Fitment

    Always the correct part

  • In-House Experts

    We know our products

  • Boat Repair Service

    Diagnostics, Repairs, and Maintenance

  • Fast Delivery

YANMAR 196420-04150 Shim Set

Write a Review
$47.92
SKU:
196420-04150
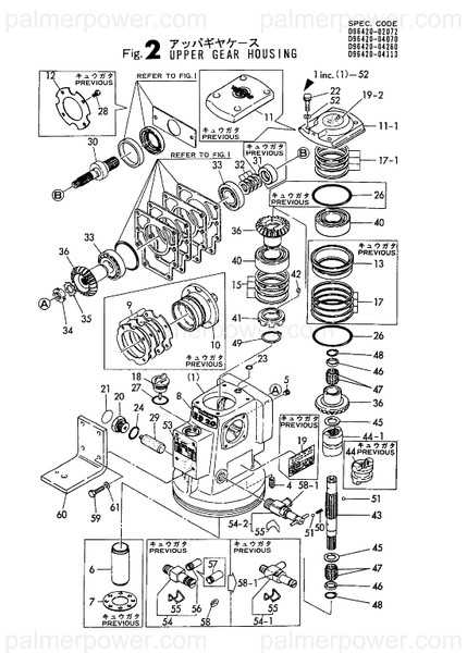
Schematic Object Key:
32

YANMAR 196420-04150 Shim Set

$47.92

Disclaimer: Please note that the items featured in the image (schematic diagram) are not sold as a bundled set. To facilitate your search, kindly refer to the schematic object key provided below in order to locate a specific item within the image.

YANMAR 196420-04150 Shim Set

Schematic Object Key : 32

Product Description : SHIM SET, 20 196420-04150

Disclaimer: Each item listed in the table below is available for individual purchase and is not sold as part of a package or set.

Other Components:

Ref Description Part No.
1 HOUSING ASSY, GEARS 796420-02900
1-1 HOUSING ASSY, UPPER 796420-02901
4 INSERT, LOCK 10X1.5 196420-02050
5 PLUG 196311-02080
5-1 PLUG, R01 23871-010000
6 GUIDE, OIL 196420-02030
7 SUPPORT, GUIDE 196420-02040
8 LABEL, NAME 196420-02060
9 SHIM SET 196311-02120
10 HOUSING, BEARING 196420-02141
11 COVER, UPPER 196420-02151
11-1 COVER, UPPER 196420-02152
11-2 COVER, UPPER 196420-02153
12 RETAINER 196311-02160
13 SUPPORT, BEARING 196420-02160
14 SPACER, SEAL 196420-02170
15 SHIM SET, 72 196420-02200
16 SEAL, OIL 101158-02220
17 SHIM SET, 82 196420-02250
17-1 SHIM SET, 72 196420-02200
18 GAUGE, OIL LEVEL 196420-02350
19 LABEL, LUB OIL 196420-02360
19-1 LABEL, LUB. OIL 196420-02361
19-2 LABEL 196420-02362
19-3 LABEL, LUB OIL 196420-02363
20 PLUG, M24 196420-02430
21 LABEL, ZINC 196420-02440
22 BOLT, M8X 25 PLATED 26206-080252
23 O-RING, 1AP11.0 24311-000110
24 O-RING, 1AG25.0 24321-000250
25 O-RING, 1AG65.0 24321-000650
26 O-RING, 1AG75.0 24321-000750
26-1 O-RING, 1AG75.0 24321-000750
27 O-RING, 1AS32.0 24341-000320
28 BOLT M 6X 30 26016-060302
29 ZINC, SCREW20X55 27210-200550
30 SHAFT, PINION 196420-04130
31 COLLAR, SHAFT 196420-04140
32 SHIM SET, 20 196420-04150
32-1 SHIM SET 196312-04150
33 BEARING, 30206 24141-302060
34 NUT, BEARING 15 24211-015002
35 WASHER 15 24231-015000
36 GEAR ASSY, UPPER 196420-04700
40 BEARING, BALL 5207 24512-052074
41 PUMP, OIL 196311-04271
42 KEY, 4X13 196311-04280
43 SHAFT, CLUTCH 196311-04300
44 DOG, CLUTCH 196420-04310
44-1 DOG, CLUTCH 196311-04310
45 COLLAR, GEAR 196311-04320
46 COLLAR 196311-04340
47 NEEDLE BERG.#K202413 196311-04350
48 CIRCLIP 196311-04360
48-1 CIRCLIP, 20 24164-000202
49 RING, 35 22242-000350
50 SPRING 189060-26760
51 BALL, STEEL 1/4 24190-080001
52 WASHER, SPRING 8 22217-080000
53 LABEL, ABSORBER 196420-02320
54 COCK W/JOINT,C.WATER 196420-02402
54-1 COCK ASSY, C. WATER 196420-02390
54-2 COCK ASSY, C. WATER 196420-02391
55 SPRING 196420-02981
56 JOINT 14 196420-02991
57 JOINT, 18 196420-02420
58 LABEL, C.W. COCK 196420-02411
58-1 LABEL, C.W COCK 196420-02412
59 BOLT, M8X 25 PLATED 26206-080252
60 BRACKET 196420-02300
61 WASHER, SPRING 8 22217-080000

YANMAR 196420-04150 Shim Set

Returns Policy

All returns must be authorized. Items returned prior authorization will not be accepted.

Defective new equipment may be returned for warranty repair/exchange to us within five (5) days of the shipment receipt date.  After five (5) days, returns will be handled by direct contact and in accordance with the warranty terms of the item's manufacturer.  Items that have malfunctioned due to mishandling, electrical overload, etc., will be subject to a repair charge. 

Non-Defective new equipment will be authorized for return within five (5) days of the shipment receipt date if the equipment is still in new, re-sellable condition with the original manual(s), accessories, packing material and carton. We reserve the right to reject returns in which there is no original packaging, missing accessories, damage or visible signs of usage of the item.  A restocking fee of up to 25% of purchase price may apply.  Special orders and dangerous goods are non-returnable.

**There's a 20% Restocking Fee on All Returned Palmgren Products in Original Packaging

To get your RMA, simply call (800) 364-4637 for a return authorization number or email sales@palmerpower.com .

(Do not write anything on the manufacturer's original package or use as a shipping carton. Include all accessories, manuals and warranties.) Please include a copy of the packing list or invoice with a reason for the return. Your return authorization number is valid for thirty days.

To check the status of your return, please email us at sales@palmerpower.com. Please be sure to include your RMA number. For more information please check our FAQ page.

Shipping

We can ship to virtually any address in the world. Note that there are restrictions on some products, and some products cannot be shipped to international destinations.

When you place an order, we will estimate shipping and delivery dates for you based on the availability of your items and the shipping options you choose. Depending on the shipping provider you choose, shipping date estimates may appear on the shipping quotes page.

Please also note that the shipping rates for many items we sell are weight-based. The weight of any such item can be found on its detail page. To reflect the policies of the shipping companies we use, all weights will be rounded up to the next full pound.

Boat Services & Repairs in Houston

We will service your boat whether you bought it from us or not. Our award-winning boat service department has a full-time staff of seasoned, factory-certified technicians dedicated to ensuring that your boat runs well for years to come. Our team is trained to correctly diagnose issues, advise you of any developing problems, and address any unique service issues your boat may require. Whether you need complex engine work and repairs, canvas and upholstery, boat tune Up, electronics installation or repair, or boat detailing, our technicians will work quickly to keep you out of the shop and on the water. Not only does our service department provide the highest quality service, we also have a large parts department for the do-it-yourself types. Ask about our inventory of parts and aftermarket additions to make your own repairs or upgrades.

Learn More

boat repair service boat Sterndrive repair

Frequently Asked Questions

  • How do I request a quote?
    To request a quote for pricing on any Palmer Power's products, please see our request a quote page. Fill out and submit our quote form and one of our representatives will contact you when your quote is ready.
  • Do you have any Minimum Order Restriction?
    Palmer Power Does not have any Minimum Order Restriction.
  • Will my order be subject to sales tax?
    Estimated state sales tax will appear within your shopping cart for all shipments within the United states unless a signed official state tax exemption certificate is furnished to Palmer Power.
  • How do I check my Order Status?
    To check the status of an online order, email sales@palmerpower.com. Please be sure to include your order number.
  • How do I Return items?

    All returns must be authorized. Items returned prior authorization will not be accepted. International customers must ship any returns to us freight and duty prepaid. Return freight charges for International shipments will be the responsibility of the customer.

    Defective new equipment may be returned for warranty repair/exchange to us within five (5) days of the shipment receipt date. After five (5) days, returns will be handled by direct contact and in accordance with the warranty terms of the item's manufacturer. Items that have malfunctioned due to mishandling, electrical overload, etc., will be subject to a repair charge.

    Non-Defective new equipment will be authorized for return within five (5) days of the shipment receipt date if the equipment is still in new, re-sellable condition with the original manual(s), accessories, packing material and carton. We reserve the right to reject returns in which there is no original packaging, missing accessories, damage or visible signs of usage of the item. A restocking fee of up to 25% of purchase price may apply. Special orders and dangerous goods are non-returnable.

    (Do not write anything on the manufacturer's original package or use as a shipping carton. Include all accessories, manuals and warranties.) Please include a copy of the packing list or invoice with a reason for the return. Your return authorization number is valid for thirty days.

  • What payment options do I have?

    Palmer Power accepts a variety of payment options for your convenience. For prepayment, we accept all major credit cards (Visa, MasterCard, Discover and American Express), Purchase Orders, and international wire transfers. We also offer credit terms to existing customers.

Fast Delivery
Dealer Program
Secure Shopping
30-Day Free Returns