YANMAR 196630-06251 Lever Assy, Reverse - Palmer Power
close
close
click to zoom in
  • Guaranteed Fitment

    Always the correct part

  • In-House Experts

    We know our products

  • Boat Repair Service

    Diagnostics, Repairs, and Maintenance

  • Fast Delivery

YANMAR 196630-06251 Lever Assy, Reverse

Write a Review
$94.57
SKU:
196630-06251
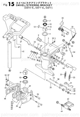
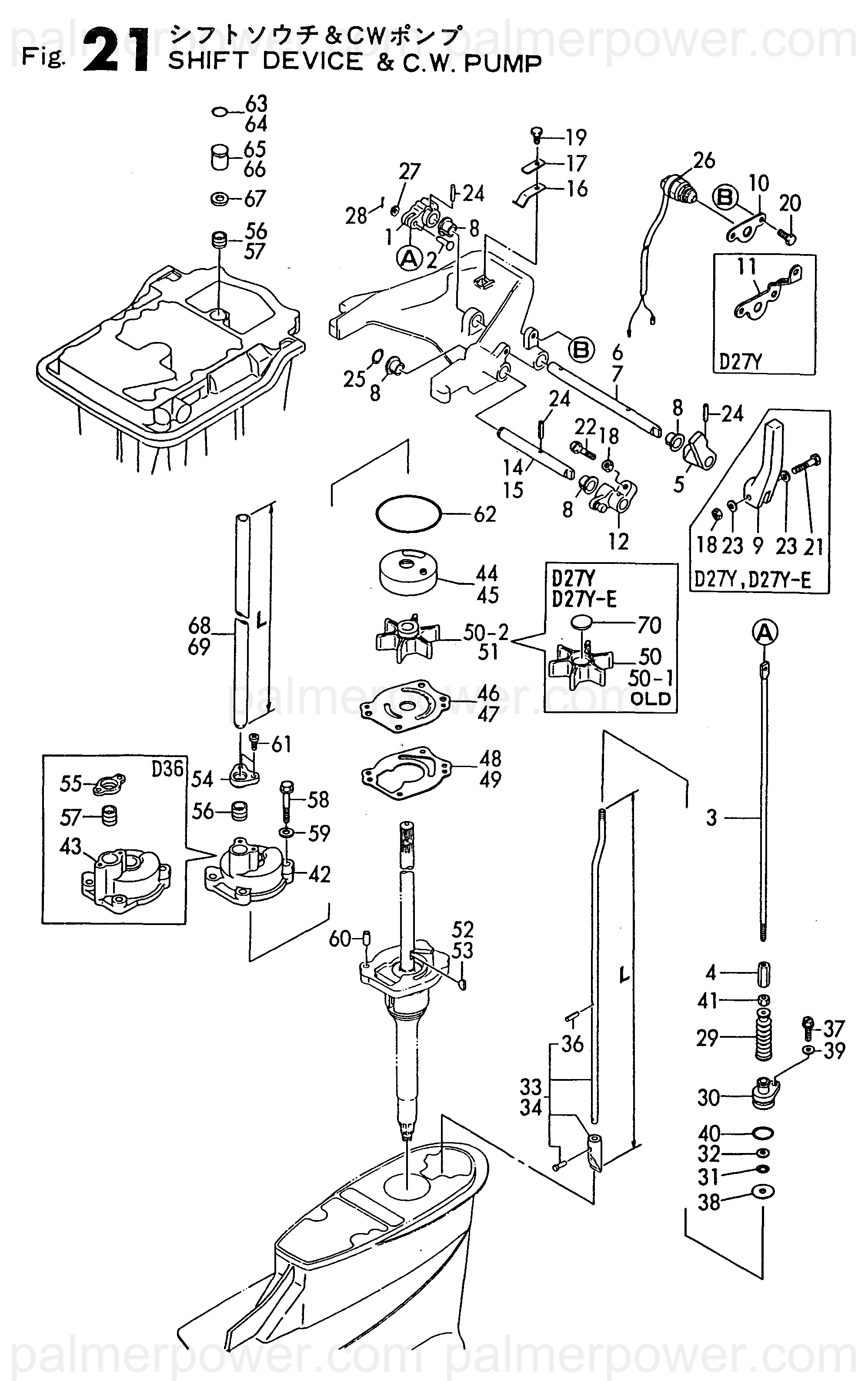
Schematic Object Key:
12

YANMAR 196630-06251 Lever Assy, Reverse

$94.57

Disclaimer: Please note that the items featured in the image (schematic diagram) are not sold as a bundled set. To facilitate your search, kindly refer to the schematic object key provided below in order to locate a specific item within the image.

YANMAR 196630-06251 Lever Assy, Reverse

Schematic Object Key : 12

Product Description : LEVER ASSY, REVERSE

Disclaimer: Each item listed in the table below is available for individual purchase and is not sold as part of a package or set.

Other Components:

Ref Description Part No.
1 DETENT 196630-06060
2 PIN, SHIFT ROD 196630-06070
3 ROD, SHIFT 196630-06080
4 CONNECTOR, ROD 196630-06090
5 LEVER, SAFETY 196630-06110
7 SHAFT, SHIFT 196640-06131
8 BUSH, 16/12 196630-06150
9 HANDLE, SHIFT 196630-06170
9-1 HANDLE, SHIFT 196630-06170
10 BRACKET, SWITCH 196630-06190
12 LEVER ASSY, REVERSE 196630-06251
15 SHAFT, LIMIT 196640-06311
16 SPRING, DETENT A 196630-06330
17 SPRING, DETENT B 196630-06340
18 NUT, M6 196630-10030
18-1 NUT, M6 196630-10030
19 BOLT, M6X12 196630-10090
19-1 SCREW, TAPPING M6X14 196630-10630
20 BOLT, M6X16 196630-10100
21 BOLT, M6X30 196630-10130
21-1 BOLT, M6X30 196630-10130
22 BOLT, M6X25 196630-10180
23 WASHER, 6 196630-10350
23-1 WASHER, 6 196630-10350
24 PIN, 4X20 196630-10650
25 CIRCLIP, C12 196630-10710
26 SWITCH, SAFETY 120270-77101
27 WASHER, 5 22133-050000
28 PIN, COTTER 2.0X10 22413-200100
29 BOOT, SHIFT ROD 196630-06450
30 GUIDE, SHIFT ROD 196630-06460
31 O-RING, 6 196630-06470
32 WASHER, 6.5 196630-06480
34A CAM ASSY, SHIFT L 196640-06551
34B CAM ASSY, SHIFT LL 196641-06550
36 PIN, SPRING 3.0X16 22351-030016
37 BOLT, M6X20 196630-10190
38 WASHER, 6 196630-10350
39 WASHER, 6 22137-060000
40 O-RING, 1AP21.0 24311-000210
41 NUT, LOCK M6 26753-060002
43 HOUSING, PUMP 196640-08010
45 INSERT 196640-08020
47 PLATE 196640-08030
47-1 PLATE, UPPER 196640-08031
49 GASKET, WATER PUMP 196640-08040
51 IMPELLER, PUMP 196640-08050
51-1 IMPELLER, PUMP 196640-08051
53 KEY, DRIVE SHAFT 196640-08080
55 GUIDE, PIPE 196640-08110
57 RUBBER, SEAL 196640-08130
57-1 RUBBER, SEAL 196640-08131
58 BOLT, M6X40 196630-10150
59 WASHER, 6 196630-10350
60 PIN, PARALLEL 6X11 196630-10530
61 SCREW, TAPPING M5X12 196630-10620
62 O-RING, 1AG65.0 24321-000650
64 O-RING, 1AP16.0 24311-000160
66 PLUG, UPPER CASE 196640-08240
67 PIECE, DISTANCE 196640-08250
69A TUBE, WATER L=476 196640-08561
69B TUBE, WATER L=539 196641-08560

Returns Policy

All returns must be authorized. Items returned prior authorization will not be accepted.

Defective new equipment may be returned for warranty repair/exchange to us within five (5) days of the shipment receipt date.  After five (5) days, returns will be handled by direct contact and in accordance with the warranty terms of the item's manufacturer.  Items that have malfunctioned due to mishandling, electrical overload, etc., will be subject to a repair charge. 

Non-Defective new equipment will be authorized for return within five (5) days of the shipment receipt date if the equipment is still in new, re-sellable condition with the original manual(s), accessories, packing material and carton. We reserve the right to reject returns in which there is no original packaging, missing accessories, damage or visible signs of usage of the item.  A restocking fee of up to 25% of purchase price may apply.  Special orders and dangerous goods are non-returnable.

**There's a 20% Restocking Fee on All Returned Palmgren Products in Original Packaging

To get your RMA, simply call (800) 364-4637 for a return authorization number or email sales@palmerpower.com .

(Do not write anything on the manufacturer's original package or use as a shipping carton. Include all accessories, manuals and warranties.) Please include a copy of the packing list or invoice with a reason for the return. Your return authorization number is valid for thirty days.

To check the status of your return, please email us at sales@palmerpower.com. Please be sure to include your RMA number. For more information please check our FAQ page.

Shipping

We can ship to virtually any address in the world. Note that there are restrictions on some products, and some products cannot be shipped to international destinations.

When you place an order, we will estimate shipping and delivery dates for you based on the availability of your items and the shipping options you choose. Depending on the shipping provider you choose, shipping date estimates may appear on the shipping quotes page.

Please also note that the shipping rates for many items we sell are weight-based. The weight of any such item can be found on its detail page. To reflect the policies of the shipping companies we use, all weights will be rounded up to the next full pound.

Boat Services & Repairs in Houston

We will service your boat whether you bought it from us or not. Our award-winning boat service department has a full-time staff of seasoned, factory-certified technicians dedicated to ensuring that your boat runs well for years to come. Our team is trained to correctly diagnose issues, advise you of any developing problems, and address any unique service issues your boat may require. Whether you need complex engine work and repairs, canvas and upholstery, boat tune Up, electronics installation or repair, or boat detailing, our technicians will work quickly to keep you out of the shop and on the water. Not only does our service department provide the highest quality service, we also have a large parts department for the do-it-yourself types. Ask about our inventory of parts and aftermarket additions to make your own repairs or upgrades.

Learn More

boat repair service boat Sterndrive repair

Frequently Asked Questions

  • How do I request a quote?
    To request a quote for pricing on any Palmer Power's products, please see our request a quote page. Fill out and submit our quote form and one of our representatives will contact you when your quote is ready.
  • Do you have any Minimum Order Restriction?
    Palmer Power Does not have any Minimum Order Restriction.
  • Will my order be subject to sales tax?
    Estimated state sales tax will appear within your shopping cart for all shipments within the United states unless a signed official state tax exemption certificate is furnished to Palmer Power.
  • How do I check my Order Status?
    To check the status of an online order, email sales@palmerpower.com. Please be sure to include your order number.
  • How do I Return items?

    All returns must be authorized. Items returned prior authorization will not be accepted. International customers must ship any returns to us freight and duty prepaid. Return freight charges for International shipments will be the responsibility of the customer.

    Defective new equipment may be returned for warranty repair/exchange to us within five (5) days of the shipment receipt date. After five (5) days, returns will be handled by direct contact and in accordance with the warranty terms of the item's manufacturer. Items that have malfunctioned due to mishandling, electrical overload, etc., will be subject to a repair charge.

    Non-Defective new equipment will be authorized for return within five (5) days of the shipment receipt date if the equipment is still in new, re-sellable condition with the original manual(s), accessories, packing material and carton. We reserve the right to reject returns in which there is no original packaging, missing accessories, damage or visible signs of usage of the item. A restocking fee of up to 25% of purchase price may apply. Special orders and dangerous goods are non-returnable.

    (Do not write anything on the manufacturer's original package or use as a shipping carton. Include all accessories, manuals and warranties.) Please include a copy of the packing list or invoice with a reason for the return. Your return authorization number is valid for thirty days.

  • What payment options do I have?

    Palmer Power accepts a variety of payment options for your convenience. For prepayment, we accept all major credit cards (Visa, MasterCard, Discover and American Express), Purchase Orders, and international wire transfers. We also offer credit terms to existing customers.

Fast Delivery
Dealer Program
Secure Shopping
30-Day Free Returns