YANMAR 196630-11260 Hose | PalmerPower
close
close
click to zoom in
  • Guaranteed Fitment

    Always the correct part

  • In-House Experts

    We know our products

  • Boat Repair Service

    Diagnostics, Repairs, and Maintenance

  • Fast Delivery

YANMAR 196630-11260 Hose

Write a Review
$7.68
SKU:
196630-11260
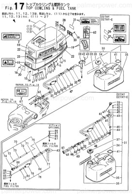
Schematic Object Key:
10

YANMAR 196630-11260 Hose

$7.68

Disclaimer: Please note that the items featured in the image (schematic diagram) are not sold as a bundled set. To facilitate your search, kindly refer to the schematic object key provided below in order to locate a specific item within the image.

YANMAR 196630-11260 Hose

Schematic Object Key : 10

Product Description : HOSE, FUEL TANK 196630-11260

Disclaimer: Each item listed in the table below is available for individual purchase and is not sold as part of a package or set.

Other Components:

Ref Description Part No.
1 TANK ASSY, FUEL 796631-11500
3 LABEL 183251-07190
4 LABEL, YANMAR 196630-11060
5 CAP 196630-11100
6 GAUGE, LEVEL 196630-11170
7 WASHER, 5 196630-11190
8 GASKET, GAUGE L 196630-11210
9 BRACKET, GAUGE 196630-11250
10 HOSE, FUEL TANK 196630-11260
11 RETAINER, FUEL PIPE 196630-11270
12 CLAMP, HOSE 10 124060-77680
13 SCREW, M5X16 26553-050162
14 CLIP, HOSE 196630-11390
15 TUBE ASSY, FUEL 196630-11500
16 JOINT 196630-11311
17 CLIP, 15 196630-11330
18 PIPE, FUEL 196630-11510
19 TUBE ASSY, FUEL 196630-11550
20 COLLAR 196630-11320
21 CLIP, 15 196630-11330
22 HOSE, 950 196630-11350
23 HOSE, 2000 196630-11360
24 VALVE ASSY 196630-11400
26 JOINT 196630-11560
27 NUT, M6 196630-10030
28 BOLT, M6X16 196630-10100
29 STUD, M6 196630-10420
30 HOOK 196630-12061
31 RATCHET 196630-12071
32 HOLDER, CLAMP 196630-12081
33 MOLDINGS 196630-12101
34 WASHER, 6 120270-12180
35 WASHER, 6 120270-12180
36 COWLING ASSY, TOP 196630-12220
36-1 COWLING ASSY, TOP 196630-12221
37 NUT, M6 196630-10030
38 WASHER, 6 196630-10350
39 SCREW, M6X20 196630-10470
40 SEAL, TOP COWL 196630-12032
41 BRACKET, TOP COWLING 196630-12052
43 SEAL, REAR 196630-12262
44 LABEL, MARK 196630-12312
45 LABEL 196630-12332
46 LABEL, MARK 196630-12380
47 LABEL, MARK 196630-12390
48 SEAL, RE-COIL 196630-12490
49 COVER, TOP COWL 196630-12930
50 WASHER, SPRING 6 22213-060000
51 PLATE, A 196630-12430
52 PLATE, B 196630-12440
53 SPACER, FILLER A 196630-12450
54 SPACER, FILLER B 196630-12460
55 LATCH 196630-12470
56 SCREW, M6X60 196630-12480

YANMAR 196630-11260 Hose

Returns Policy

All returns must be authorized. Items returned prior authorization will not be accepted.

Defective new equipment may be returned for warranty repair/exchange to us within five (5) days of the shipment receipt date.  After five (5) days, returns will be handled by direct contact and in accordance with the warranty terms of the item's manufacturer.  Items that have malfunctioned due to mishandling, electrical overload, etc., will be subject to a repair charge. 

Non-Defective new equipment will be authorized for return within five (5) days of the shipment receipt date if the equipment is still in new, re-sellable condition with the original manual(s), accessories, packing material and carton. We reserve the right to reject returns in which there is no original packaging, missing accessories, damage or visible signs of usage of the item.  A restocking fee of up to 25% of purchase price may apply.  Special orders and dangerous goods are non-returnable.

**There's a 20% Restocking Fee on All Returned Palmgren Products in Original Packaging

To get your RMA, simply call (800) 364-4637 for a return authorization number or email sales@palmerpower.com .

(Do not write anything on the manufacturer's original package or use as a shipping carton. Include all accessories, manuals and warranties.) Please include a copy of the packing list or invoice with a reason for the return. Your return authorization number is valid for thirty days.

To check the status of your return, please email us at sales@palmerpower.com. Please be sure to include your RMA number. For more information please check our FAQ page.

Shipping

We can ship to virtually any address in the world. Note that there are restrictions on some products, and some products cannot be shipped to international destinations.

When you place an order, we will estimate shipping and delivery dates for you based on the availability of your items and the shipping options you choose. Depending on the shipping provider you choose, shipping date estimates may appear on the shipping quotes page.

Please also note that the shipping rates for many items we sell are weight-based. The weight of any such item can be found on its detail page. To reflect the policies of the shipping companies we use, all weights will be rounded up to the next full pound.

Boat Services & Repairs in Houston

We will service your boat whether you bought it from us or not. Our award-winning boat service department has a full-time staff of seasoned, factory-certified technicians dedicated to ensuring that your boat runs well for years to come. Our team is trained to correctly diagnose issues, advise you of any developing problems, and address any unique service issues your boat may require. Whether you need complex engine work and repairs, canvas and upholstery, boat tune Up, electronics installation or repair, or boat detailing, our technicians will work quickly to keep you out of the shop and on the water. Not only does our service department provide the highest quality service, we also have a large parts department for the do-it-yourself types. Ask about our inventory of parts and aftermarket additions to make your own repairs or upgrades.

Learn More

boat repair service boat Sterndrive repair

Frequently Asked Questions

  • How do I request a quote?
    To request a quote for pricing on any Palmer Power's products, please see our request a quote page. Fill out and submit our quote form and one of our representatives will contact you when your quote is ready.
  • Do you have any Minimum Order Restriction?
    Palmer Power Does not have any Minimum Order Restriction.
  • Will my order be subject to sales tax?
    Estimated state sales tax will appear within your shopping cart for all shipments within the United states unless a signed official state tax exemption certificate is furnished to Palmer Power.
  • How do I check my Order Status?
    To check the status of an online order, email sales@palmerpower.com. Please be sure to include your order number.
  • How do I Return items?

    All returns must be authorized. Items returned prior authorization will not be accepted. International customers must ship any returns to us freight and duty prepaid. Return freight charges for International shipments will be the responsibility of the customer.

    Defective new equipment may be returned for warranty repair/exchange to us within five (5) days of the shipment receipt date. After five (5) days, returns will be handled by direct contact and in accordance with the warranty terms of the item's manufacturer. Items that have malfunctioned due to mishandling, electrical overload, etc., will be subject to a repair charge.

    Non-Defective new equipment will be authorized for return within five (5) days of the shipment receipt date if the equipment is still in new, re-sellable condition with the original manual(s), accessories, packing material and carton. We reserve the right to reject returns in which there is no original packaging, missing accessories, damage or visible signs of usage of the item. A restocking fee of up to 25% of purchase price may apply. Special orders and dangerous goods are non-returnable.

    (Do not write anything on the manufacturer's original package or use as a shipping carton. Include all accessories, manuals and warranties.) Please include a copy of the packing list or invoice with a reason for the return. Your return authorization number is valid for thirty days.

  • What payment options do I have?

    Palmer Power accepts a variety of payment options for your convenience. For prepayment, we accept all major credit cards (Visa, MasterCard, Discover and American Express), Purchase Orders, and international wire transfers. We also offer credit terms to existing customers.

Fast Delivery
Dealer Program
Secure Shopping
30-Day Free Returns