YANMAR 196640-12061 Lever, Clamp | PalmerPower
close
close
click to zoom in
  • Guaranteed Fitment

    Always the correct part

  • In-House Experts

    We know our products

  • Boat Repair Service

    Diagnostics, Repairs, and Maintenance

  • Fast Delivery

YANMAR 196640-12061 Lever, Clamp

Write a Review
$22.86
SKU:
196640-12061
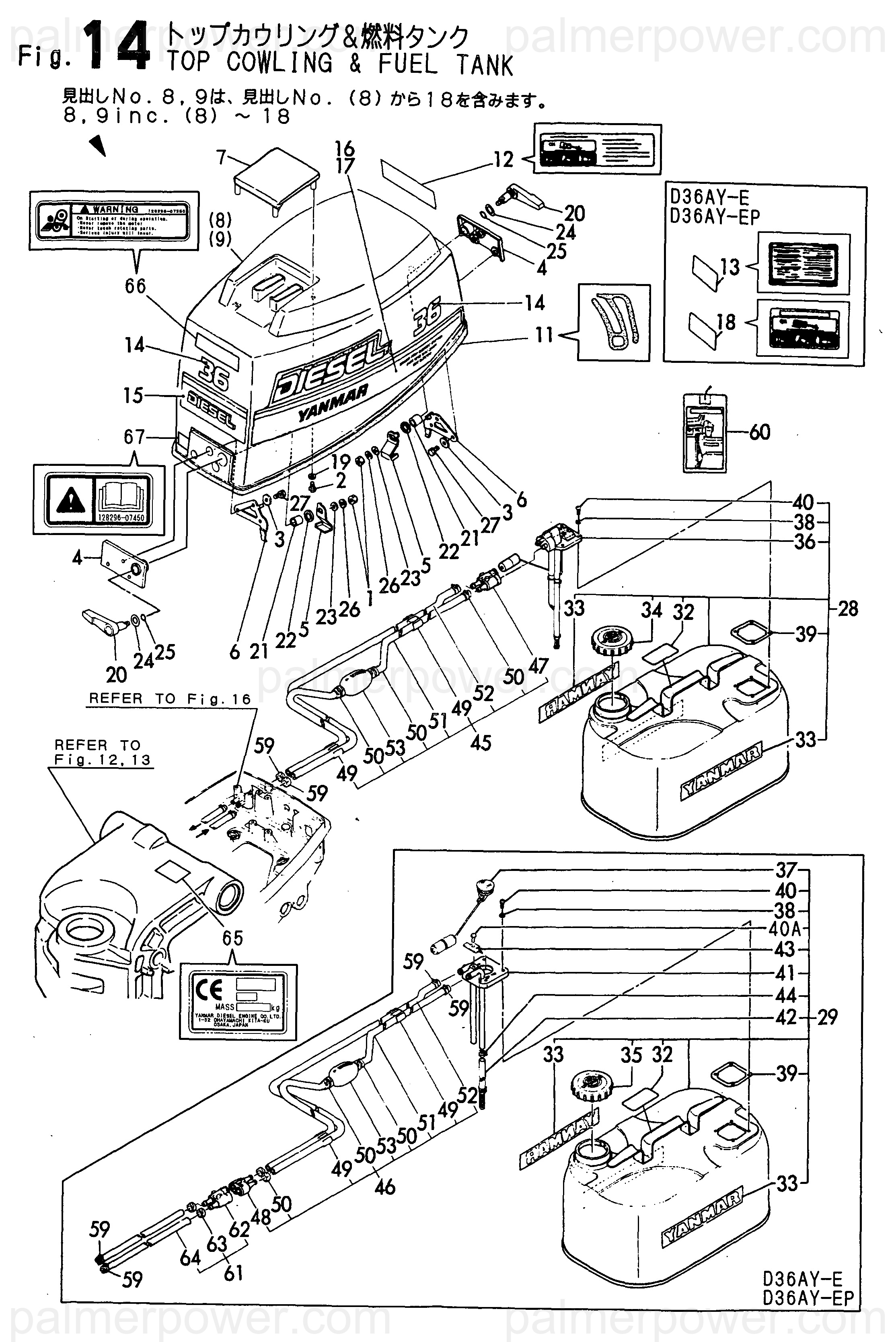
Schematic Object Key:
5

YANMAR 196640-12061 Lever, Clamp

$22.86

Disclaimer: Please note that the items featured in the image (schematic diagram) are not sold as a bundled set. To facilitate your search, kindly refer to the schematic object key provided below in order to locate a specific item within the image.

YANMAR 196640-12061 Lever, Clamp

Schematic Object Key : 5

Product Description : LEVER, CLAMP 196640-12061

Disclaimer: Each item listed in the table below is available for individual purchase and is not sold as part of a package or set.

Other Components:

Ref Description Part No.
1 NUT, M8 196630-10050
2 BOLT, M6X20 196630-10110
3 WASHER, SPRING 6 22213-060000
4 BRACKET 196640-12051-1
5 LEVER, CLAMP 196640-12061
6 PLATE, BRACKET 196640-12080
7 MOLDINGS 196630-12101-1
9 COWLING ASSY 196640-12200-1
11 SEAL, TOP COWL 196640-12031
13 LABEL 196630-12381
14 LABEL 196640-12850
15 LABEL 196630-12880
16 LABEL 196630-12890
17 LABEL 196630-12900
18 LABEL, MARK 196630-12390
19 WASHER, 6 120270-12180
20 HANDLE, CLAMP 196640-12410-1
21 BUSH, HANDLE 196640-12420
22 WASHER, WAVE 196640-12431
23 WASHER, 8 196630-10370
24 GASKET, 15X1.0 23418-150000
25 O-RING, 1AP12.5 24311-000125
26 WASHER, SPRING 8 22213-080000
27 BOLT, M6X16 196630-10100
29 TANK ASSY, FUEL 796630-55710
32 LABEL 183251-07190
33 LABEL, YANMAR 196630-11060
35 CAP 196630-11100
37 GAUGE, LEVEL 196630-11170
38 WASHER, 5 196630-11190
39 GASKET, GAUGE L 196630-11210
40 SCREW, M5X16 26553-050162
40A SCREW, TAPPING M5X12 196630-10620
41 BRACKET, GAUGE 196630-11250
42 HOSE, FUEL TANK 196630-11260
43 RETAINER, FUEL PIPE 196630-11270
44 CLAMP, HOSE 10 124060-77680
46 TUBE ASSY, FUEL 196630-11550
48 JOINT 196630-11560
49 COLLAR 196630-11320
50 CLIP, 15 196630-11330
51 HOSE, 950 196630-11350
52 HOSE, 2000 196630-11360
53 VALVE ASSY 196630-11400
59 CLIP, HOSE 196630-11390
61 TUBE ASSY, FUEL 196630-11500
62 JOINT 196630-11311
63 CLIP, 15 196630-11330
64 PIPE, FUEL 196630-11510
65 LABEL 196640-01910
66 LABEL 196630-12970
67 LABEL, CAUTION 196630-12980

YANMAR 196640-12061 Lever, Clamp

Returns Policy

All returns must be authorized. Items returned prior authorization will not be accepted.

Defective new equipment may be returned for warranty repair/exchange to us within five (5) days of the shipment receipt date.  After five (5) days, returns will be handled by direct contact and in accordance with the warranty terms of the item's manufacturer.  Items that have malfunctioned due to mishandling, electrical overload, etc., will be subject to a repair charge. 

Non-Defective new equipment will be authorized for return within five (5) days of the shipment receipt date if the equipment is still in new, re-sellable condition with the original manual(s), accessories, packing material and carton. We reserve the right to reject returns in which there is no original packaging, missing accessories, damage or visible signs of usage of the item.  A restocking fee of up to 25% of purchase price may apply.  Special orders and dangerous goods are non-returnable.

**There's a 20% Restocking Fee on All Returned Palmgren Products in Original Packaging

To get your RMA, simply call (800) 364-4637 for a return authorization number or email sales@palmerpower.com .

(Do not write anything on the manufacturer's original package or use as a shipping carton. Include all accessories, manuals and warranties.) Please include a copy of the packing list or invoice with a reason for the return. Your return authorization number is valid for thirty days.

To check the status of your return, please email us at sales@palmerpower.com. Please be sure to include your RMA number. For more information please check our FAQ page.

Shipping

We can ship to virtually any address in the world. Note that there are restrictions on some products, and some products cannot be shipped to international destinations.

When you place an order, we will estimate shipping and delivery dates for you based on the availability of your items and the shipping options you choose. Depending on the shipping provider you choose, shipping date estimates may appear on the shipping quotes page.

Please also note that the shipping rates for many items we sell are weight-based. The weight of any such item can be found on its detail page. To reflect the policies of the shipping companies we use, all weights will be rounded up to the next full pound.

Boat Services & Repairs in Houston

We will service your boat whether you bought it from us or not. Our award-winning boat service department has a full-time staff of seasoned, factory-certified technicians dedicated to ensuring that your boat runs well for years to come. Our team is trained to correctly diagnose issues, advise you of any developing problems, and address any unique service issues your boat may require. Whether you need complex engine work and repairs, canvas and upholstery, boat tune Up, electronics installation or repair, or boat detailing, our technicians will work quickly to keep you out of the shop and on the water. Not only does our service department provide the highest quality service, we also have a large parts department for the do-it-yourself types. Ask about our inventory of parts and aftermarket additions to make your own repairs or upgrades.

Learn More

boat repair service boat Sterndrive repair

Frequently Asked Questions

  • How do I request a quote?
    To request a quote for pricing on any Palmer Power's products, please see our request a quote page. Fill out and submit our quote form and one of our representatives will contact you when your quote is ready.
  • Do you have any Minimum Order Restriction?
    Palmer Power Does not have any Minimum Order Restriction.
  • Will my order be subject to sales tax?
    Estimated state sales tax will appear within your shopping cart for all shipments within the United states unless a signed official state tax exemption certificate is furnished to Palmer Power.
  • How do I check my Order Status?
    To check the status of an online order, email sales@palmerpower.com. Please be sure to include your order number.
  • How do I Return items?

    All returns must be authorized. Items returned prior authorization will not be accepted. International customers must ship any returns to us freight and duty prepaid. Return freight charges for International shipments will be the responsibility of the customer.

    Defective new equipment may be returned for warranty repair/exchange to us within five (5) days of the shipment receipt date. After five (5) days, returns will be handled by direct contact and in accordance with the warranty terms of the item's manufacturer. Items that have malfunctioned due to mishandling, electrical overload, etc., will be subject to a repair charge.

    Non-Defective new equipment will be authorized for return within five (5) days of the shipment receipt date if the equipment is still in new, re-sellable condition with the original manual(s), accessories, packing material and carton. We reserve the right to reject returns in which there is no original packaging, missing accessories, damage or visible signs of usage of the item. A restocking fee of up to 25% of purchase price may apply. Special orders and dangerous goods are non-returnable.

    (Do not write anything on the manufacturer's original package or use as a shipping carton. Include all accessories, manuals and warranties.) Please include a copy of the packing list or invoice with a reason for the return. Your return authorization number is valid for thirty days.

  • What payment options do I have?

    Palmer Power accepts a variety of payment options for your convenience. For prepayment, we accept all major credit cards (Visa, MasterCard, Discover and American Express), Purchase Orders, and international wire transfers. We also offer credit terms to existing customers.

Fast Delivery
Dealer Program
Secure Shopping
30-Day Free Returns