YANMAR 23871-060000 Plug, R06 | PalmerPower
close
close
click to zoom in
  • Guaranteed Fitment

    Always the correct part

  • In-House Experts

    We know our products

  • Boat Repair Service

    Diagnostics, Repairs, and Maintenance

  • Fast Delivery

YANMAR 23871-060000 Plug, R06

Write a Review
$9.86
SKU:
23871-060000
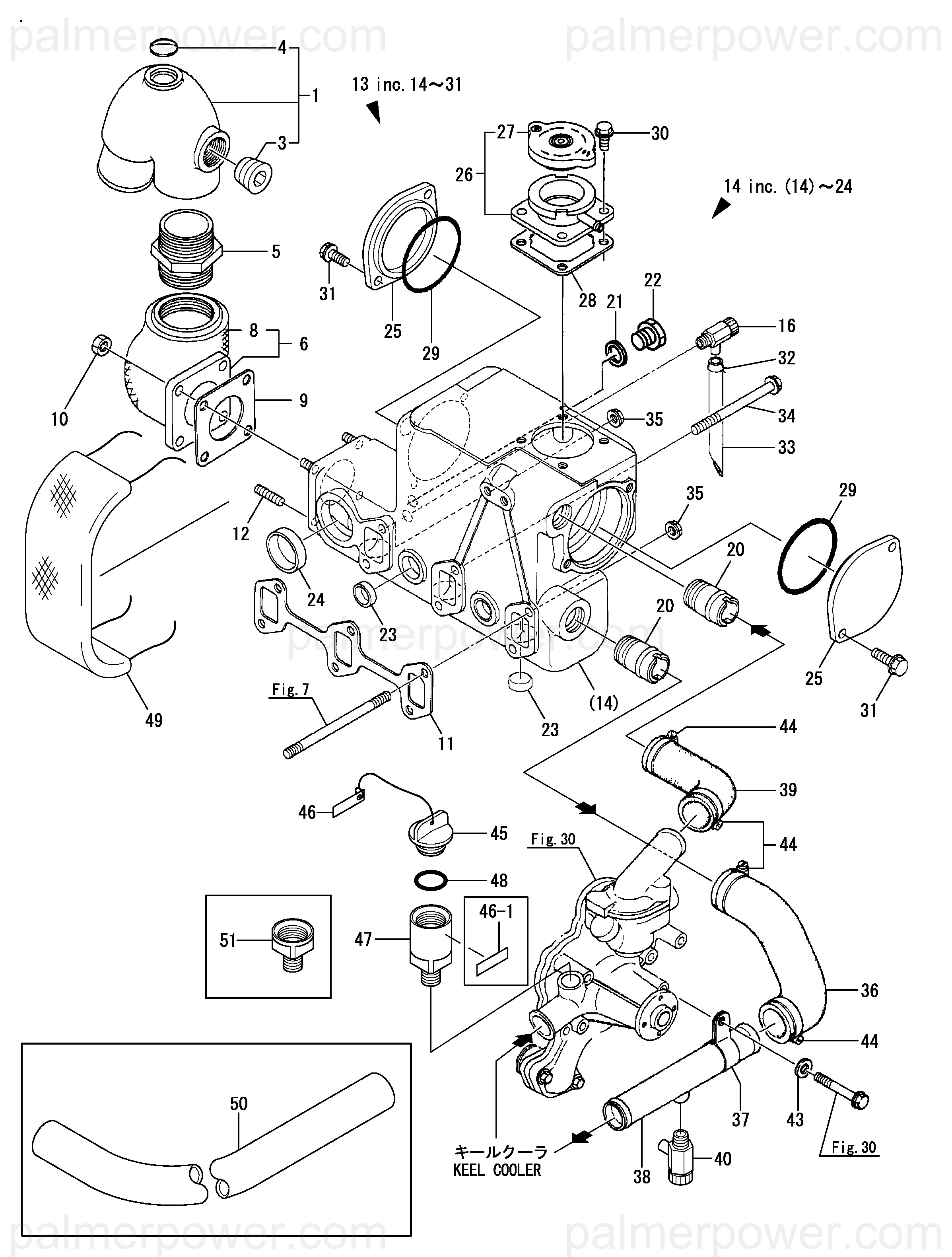
Schematic Object Key:
3

YANMAR 23871-060000 Plug, R06

$9.86

Disclaimer: Please note that the items featured in the image (schematic diagram) are not sold as a bundled set. To facilitate your search, kindly refer to the schematic object key provided below in order to locate a specific item within the image.

YANMAR 23871-060000 Plug, R06

Schematic Object Key : 3

Product Description : PLUG, R06 23871-060000

Disclaimer: Each item listed in the table below is available for individual purchase and is not sold as part of a package or set.

Other Components:

Ref Description Part No.
1 ELBOW ASSY 129198-13510
3 PLUG, R06 23871-060000
4 PLUG, 25 27233-250000
5 JOINT 104214-13580
6 BEND ASSY, EXHAUST 129198-13650
8 INSULATOR 129198-13660
9 GASKET 129472-18090
10 NUT, M8 26703-080002
11 GASKET, EXH.MANIFOLD 129150-13110
12 STUD, M8X31 128170-13600
12-1 STUD, M8X34 129690-13600
13 TANK ASSY 129198-44910
14 COOLER ASSY, WATER 129170-44000
16 COCK ASSY, 1/4 119620-49290
20 JOINT, PIPE 124160-49480
21 GASKET, 17X1.0 23414-170000
22 PLUG, G3/8 23894-030002
23 PLUG, 28 27241-280000
24 PLUG, 40 27241-400000
25 COVER 129198-44460
26 FILLER ASSY 129171-44600
27 CAP, RADIATOR 129107-44590
28 GASKET 120445-44640
29 O-RING, 1AG75.0 24321-000750
30 BOLT, M8X 16 PLATED 26106-080162
31 BOLT, M8X 20 PLATED 26106-080202
32 RETAINER 124460-77680
33 PIPE, 7X 300 23061-070300
34 BOLT, M8X100 PLATED 26106-081002
35 NUT, M8 26306-080002
36 JOINT, RUBBER 129470-49200
37 RETAINER 129470-49220
38 PIPE, WATER 129470-49250
39 JOINT 129170-49260
40 COCK ASSY, R1/8 129670-49290
43 WASHER, 8 22137-080000
44 CLAMP, 41 23000-041000
45 CAP, PF3/4 126630-01930
45-1 CAP, G3/4 129198-01880
46 LABEL, WATER 129198-07570
46-1 LABEL, WATER 129198-07571
47 FILLER 129198-44420
48 O-RING, 1AP25.5 24311-000255
49 INSULATOR, EXH.BEND 129198-13680
50 HOSE, 10X1100 23072-101100
51 FILLER, CW 129198-44430

YANMAR 23871-060000 Plug, R06

Returns Policy

All returns must be authorized. Items returned prior authorization will not be accepted.

Defective new equipment may be returned for warranty repair/exchange to us within five (5) days of the shipment receipt date.  After five (5) days, returns will be handled by direct contact and in accordance with the warranty terms of the item's manufacturer.  Items that have malfunctioned due to mishandling, electrical overload, etc., will be subject to a repair charge. 

Non-Defective new equipment will be authorized for return within five (5) days of the shipment receipt date if the equipment is still in new, re-sellable condition with the original manual(s), accessories, packing material and carton. We reserve the right to reject returns in which there is no original packaging, missing accessories, damage or visible signs of usage of the item.  A restocking fee of up to 25% of purchase price may apply.  Special orders and dangerous goods are non-returnable.

**There's a 20% Restocking Fee on All Returned Palmgren Products in Original Packaging

To get your RMA, simply call (800) 364-4637 for a return authorization number or email sales@palmerpower.com .

(Do not write anything on the manufacturer's original package or use as a shipping carton. Include all accessories, manuals and warranties.) Please include a copy of the packing list or invoice with a reason for the return. Your return authorization number is valid for thirty days.

To check the status of your return, please email us at sales@palmerpower.com. Please be sure to include your RMA number. For more information please check our FAQ page.

Shipping

We can ship to virtually any address in the world. Note that there are restrictions on some products, and some products cannot be shipped to international destinations.

When you place an order, we will estimate shipping and delivery dates for you based on the availability of your items and the shipping options you choose. Depending on the shipping provider you choose, shipping date estimates may appear on the shipping quotes page.

Please also note that the shipping rates for many items we sell are weight-based. The weight of any such item can be found on its detail page. To reflect the policies of the shipping companies we use, all weights will be rounded up to the next full pound.

Boat Services & Repairs in Houston

We will service your boat whether you bought it from us or not. Our award-winning boat service department has a full-time staff of seasoned, factory-certified technicians dedicated to ensuring that your boat runs well for years to come. Our team is trained to correctly diagnose issues, advise you of any developing problems, and address any unique service issues your boat may require. Whether you need complex engine work and repairs, canvas and upholstery, boat tune Up, electronics installation or repair, or boat detailing, our technicians will work quickly to keep you out of the shop and on the water. Not only does our service department provide the highest quality service, we also have a large parts department for the do-it-yourself types. Ask about our inventory of parts and aftermarket additions to make your own repairs or upgrades.

Learn More

boat repair service boat Sterndrive repair

Frequently Asked Questions

  • How do I request a quote?
    To request a quote for pricing on any Palmer Power's products, please see our request a quote page. Fill out and submit our quote form and one of our representatives will contact you when your quote is ready.
  • Do you have any Minimum Order Restriction?
    Palmer Power Does not have any Minimum Order Restriction.
  • Will my order be subject to sales tax?
    Estimated state sales tax will appear within your shopping cart for all shipments within the United states unless a signed official state tax exemption certificate is furnished to Palmer Power.
  • How do I check my Order Status?
    To check the status of an online order, email sales@palmerpower.com. Please be sure to include your order number.
  • How do I Return items?

    All returns must be authorized. Items returned prior authorization will not be accepted. International customers must ship any returns to us freight and duty prepaid. Return freight charges for International shipments will be the responsibility of the customer.

    Defective new equipment may be returned for warranty repair/exchange to us within five (5) days of the shipment receipt date. After five (5) days, returns will be handled by direct contact and in accordance with the warranty terms of the item's manufacturer. Items that have malfunctioned due to mishandling, electrical overload, etc., will be subject to a repair charge.

    Non-Defective new equipment will be authorized for return within five (5) days of the shipment receipt date if the equipment is still in new, re-sellable condition with the original manual(s), accessories, packing material and carton. We reserve the right to reject returns in which there is no original packaging, missing accessories, damage or visible signs of usage of the item. A restocking fee of up to 25% of purchase price may apply. Special orders and dangerous goods are non-returnable.

    (Do not write anything on the manufacturer's original package or use as a shipping carton. Include all accessories, manuals and warranties.) Please include a copy of the packing list or invoice with a reason for the return. Your return authorization number is valid for thirty days.

  • What payment options do I have?

    Palmer Power accepts a variety of payment options for your convenience. For prepayment, we accept all major credit cards (Visa, MasterCard, Discover and American Express), Purchase Orders, and international wire transfers. We also offer credit terms to existing customers.

Fast Delivery
Dealer Program
Secure Shopping
30-Day Free Returns