YANMAR 23871-100000 Plug, R10 | PalmerPower
close
close
click to zoom in
  • Guaranteed Fitment

    Always the correct part

  • In-House Experts

    We know our products

  • Boat Repair Service

    Diagnostics, Repairs, and Maintenance

  • Fast Delivery

YANMAR 23871-100000 Plug, R10

Write a Review
$12.71
SKU:
23871-100000
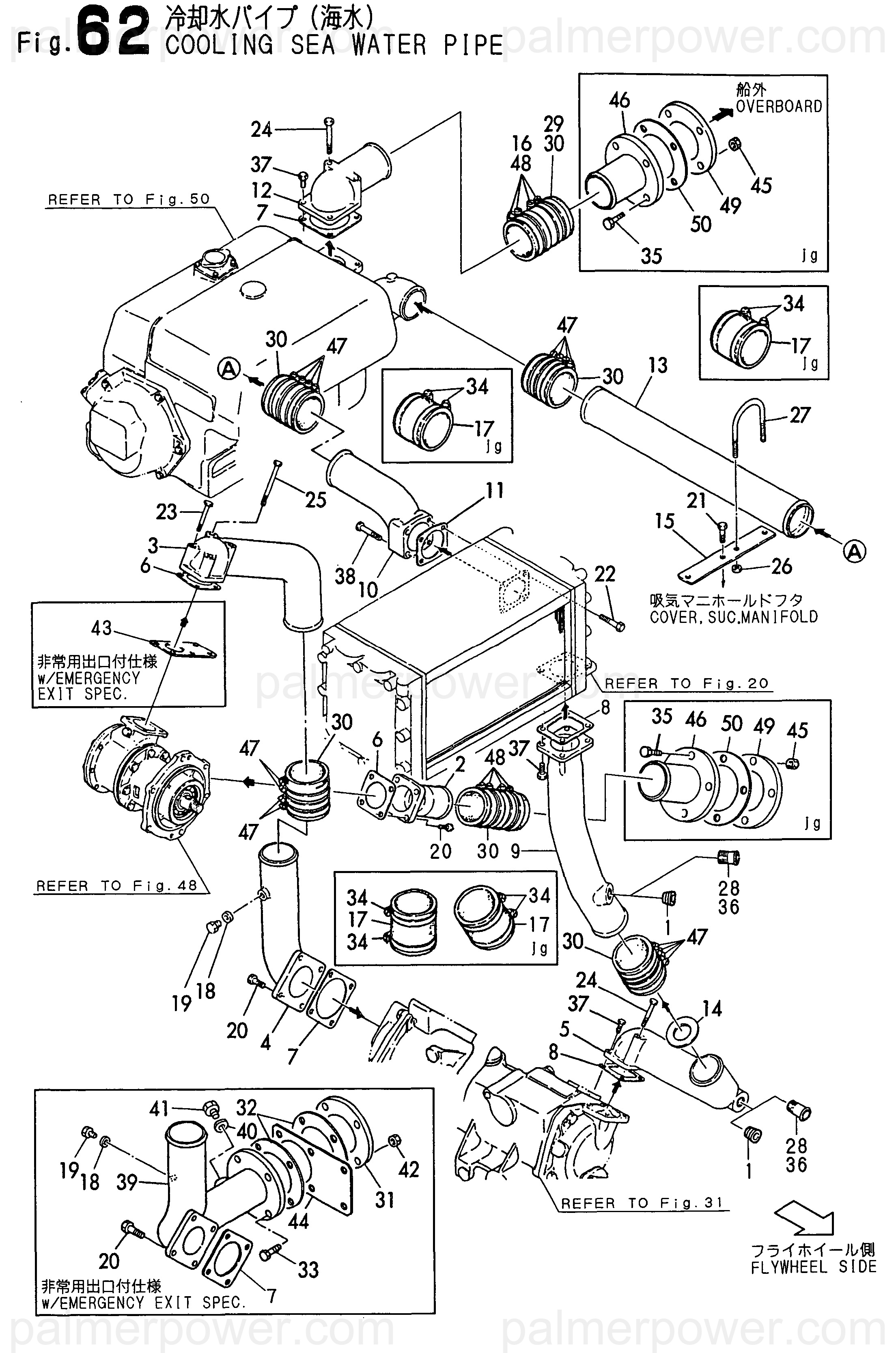
Schematic Object Key:
1

YANMAR 23871-100000 Plug, R10

$12.71

Disclaimer: Please note that the items featured in the image (schematic diagram) are not sold as a bundled set. To facilitate your search, kindly refer to the schematic object key provided below in order to locate a specific item within the image.

YANMAR 23871-100000 Plug, R10

Schematic Object Key : 1

Product Description : PLUG, R10 23871-100000

Disclaimer: Each item listed in the table below is available for individual purchase and is not sold as part of a package or set.

Other Components:

Ref Description Part No.
1 PLUG, R10 23871-100000
2 JOINT 148816-49491
3 BEND 148816-49501
4 BEND 148816-49510
5 BEND 148816-49560
6 GASKET, PUMP 148816-49530
6-1 GASKET, PUMP 148816-49531
7 GASKET 148816-49540
7-1 GASKET 148816-49541
8 PACKING 148816-49550
8-1 PACKING 148816-49551
9 BEND 148016-49590
10 BEND 148816-49601
11 PACKING, COOLER 148816-49610
11-1 PACKING, COOLER 148816-49611
12 BEND 148816-49630
13 PIPE, WATER 148816-49650
14 PLATE 148816-49690
15 SUPPORT 148816-49920
16 CLAMP, 102 23000-102000
16-1 HOSE CLIP 100 43730-552201
17 HOSE, 30X 100 23071-300100
18 GASKET, 12X1.0 23414-120000
19 PLUG M12,HEX. 23884-120002
20 BOLT, M10X 25 PLATED 26106-100252
21 BOLT, M10X 40 PLATED 26106-100402
22 BOLT, M10X 60 PLATED 26106-100602
23 BOLT, M10X 65 PLATED 26106-100652
24 BOLT, M10X 85 PLATED 26106-100852
25 BOLT, M10X100 PLATED 26106-101002
26 NUT, M10 26366-100002
27 U-BOLT, 65 26464-065000
28 JOINT, PIPE PT1 123678-49420
29 PIPE 148816-49730
30 PIPE, RUBBER 148816-49710
31 FLANGE, 5K 65 23211-065077
32 PACKING 23431-065000
33 BOLT, M12X 45 PLATED 26116-120452
34 CLAMP, 102 23000-102000
34-1 HOSE CLIP 100 43730-552201
35 BOLT, M12X 45 PLATED 26116-120452
36 JOINT 43530-500570
37 BOLT, M10X 25 PLATED 26106-100252
38 BOLT, M10X 65 PLATED 26106-100652
39 BEND 148816-49580
40 GASKET, 20X1.0 23414-200000
41 PLUG 20 23884-200002
42 NUT, M12 26716-120002
43 FLANGE 43330-550580
44 FLANGE 43331-001260
45 NUT, M12 26716-120002
46 JOINT, HOSE 41649-552910
47 CLAMP, 102 23000-102000
47-1 HOSE CLIP 100 43730-552201
48 CLAMP, 102 23000-102000
48-1 HOSE CLIP 100 43730-552201
49 FLANGE, 5K 65 23211-065077
50 PACKING 23431-065000

YANMAR 23871-100000 Plug, R10

Returns Policy

All returns must be authorized. Items returned prior authorization will not be accepted.

Defective new equipment may be returned for warranty repair/exchange to us within five (5) days of the shipment receipt date.  After five (5) days, returns will be handled by direct contact and in accordance with the warranty terms of the item's manufacturer.  Items that have malfunctioned due to mishandling, electrical overload, etc., will be subject to a repair charge. 

Non-Defective new equipment will be authorized for return within five (5) days of the shipment receipt date if the equipment is still in new, re-sellable condition with the original manual(s), accessories, packing material and carton. We reserve the right to reject returns in which there is no original packaging, missing accessories, damage or visible signs of usage of the item.  A restocking fee of up to 25% of purchase price may apply.  Special orders and dangerous goods are non-returnable.

**There's a 20% Restocking Fee on All Returned Palmgren Products in Original Packaging

To get your RMA, simply call (800) 364-4637 for a return authorization number or email sales@palmerpower.com .

(Do not write anything on the manufacturer's original package or use as a shipping carton. Include all accessories, manuals and warranties.) Please include a copy of the packing list or invoice with a reason for the return. Your return authorization number is valid for thirty days.

To check the status of your return, please email us at sales@palmerpower.com. Please be sure to include your RMA number. For more information please check our FAQ page.

Shipping

We can ship to virtually any address in the world. Note that there are restrictions on some products, and some products cannot be shipped to international destinations.

When you place an order, we will estimate shipping and delivery dates for you based on the availability of your items and the shipping options you choose. Depending on the shipping provider you choose, shipping date estimates may appear on the shipping quotes page.

Please also note that the shipping rates for many items we sell are weight-based. The weight of any such item can be found on its detail page. To reflect the policies of the shipping companies we use, all weights will be rounded up to the next full pound.

Boat Services & Repairs in Houston

We will service your boat whether you bought it from us or not. Our award-winning boat service department has a full-time staff of seasoned, factory-certified technicians dedicated to ensuring that your boat runs well for years to come. Our team is trained to correctly diagnose issues, advise you of any developing problems, and address any unique service issues your boat may require. Whether you need complex engine work and repairs, canvas and upholstery, boat tune Up, electronics installation or repair, or boat detailing, our technicians will work quickly to keep you out of the shop and on the water. Not only does our service department provide the highest quality service, we also have a large parts department for the do-it-yourself types. Ask about our inventory of parts and aftermarket additions to make your own repairs or upgrades.

Learn More

boat repair service boat Sterndrive repair

Frequently Asked Questions

  • How do I request a quote?
    To request a quote for pricing on any Palmer Power's products, please see our request a quote page. Fill out and submit our quote form and one of our representatives will contact you when your quote is ready.
  • Do you have any Minimum Order Restriction?
    Palmer Power Does not have any Minimum Order Restriction.
  • Will my order be subject to sales tax?
    Estimated state sales tax will appear within your shopping cart for all shipments within the United states unless a signed official state tax exemption certificate is furnished to Palmer Power.
  • How do I check my Order Status?
    To check the status of an online order, email sales@palmerpower.com. Please be sure to include your order number.
  • How do I Return items?

    All returns must be authorized. Items returned prior authorization will not be accepted. International customers must ship any returns to us freight and duty prepaid. Return freight charges for International shipments will be the responsibility of the customer.

    Defective new equipment may be returned for warranty repair/exchange to us within five (5) days of the shipment receipt date. After five (5) days, returns will be handled by direct contact and in accordance with the warranty terms of the item's manufacturer. Items that have malfunctioned due to mishandling, electrical overload, etc., will be subject to a repair charge.

    Non-Defective new equipment will be authorized for return within five (5) days of the shipment receipt date if the equipment is still in new, re-sellable condition with the original manual(s), accessories, packing material and carton. We reserve the right to reject returns in which there is no original packaging, missing accessories, damage or visible signs of usage of the item. A restocking fee of up to 25% of purchase price may apply. Special orders and dangerous goods are non-returnable.

    (Do not write anything on the manufacturer's original package or use as a shipping carton. Include all accessories, manuals and warranties.) Please include a copy of the packing list or invoice with a reason for the return. Your return authorization number is valid for thirty days.

  • What payment options do I have?

    Palmer Power accepts a variety of payment options for your convenience. For prepayment, we accept all major credit cards (Visa, MasterCard, Discover and American Express), Purchase Orders, and international wire transfers. We also offer credit terms to existing customers.

Fast Delivery
Dealer Program
Secure Shopping
30-Day Free Returns