YANMAR XN085510030 Bolt - Palmer Power
close
close
click to zoom in
  • Guaranteed Fitment

    Always the correct part

  • In-House Experts

    We know our products

  • Boat Repair Service

    Diagnostics, Repairs, and Maintenance

  • Fast Delivery

YANMAR XN085510030 Bolt

Write a Review
$4.23
SKU:
XN085510030
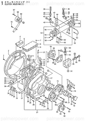
Schematic Object Key:
9

YANMAR XN085510030 Bolt

$4.23

Disclaimer: Please note that the items featured in the image (schematic diagram) are not sold as a bundled set. To facilitate your search, kindly refer to the schematic object key provided below in order to locate a specific item within the image.

YANMAR XN085510030 Bolt

Schematic Object Key : 9

Product Description : BOLT

Disclaimer: Each item listed in the table below is available for individual purchase and is not sold as part of a package or set.

Other Components:

Ref Description Part No.
1 BOLT XN085710030
2 HOUSING, FRONT X085016443
3 PIN XN341712026
4 COVER X091022996D
5 BOLT XN085510016
6 COVER X157330
7 BOLT XN085510020
8 GASKET X157331
9 BOLT XN085510030
10 PIPE ASSY X163500A
11 GASKET XN074006231
12 GAUGE, OIL LEVEL X115127Y
13 EYE BOLT XN084424000
14 BREATHER X12996A
15 CAP, OIL INLET X114833A
16 O-RING XN048004030
17 PIN XN341712026
18 O-RING XN048010035
19 COVER X153768
20 BOLT XN085510020
21 WASHER 14, SEAL XN064014000
22 PLUG, DRAIN X111043E
23 GASKET XN074006231
24 FLANGE XN073006200
25 BOLT XN085310025
26 BOLT XN085310110
27 HOUSING ASSY, CLUTCH X163496B
28 BOLT XN085310030
29 BOLT XN085510030
30 GASKET X338967
31 BOLT XN085510030
32 PIPE ASSY X163499A
33 PLATE X18202A
34 GASKET XN074006231
35 GASKET XN074006231
36 BOLT XN085510030
37 FLANGE XN073006200
38 PLATE X18202A
39 THERMOMETER X991109965
40 GASKET, COPPER XN370212915
41 BOLT X113640D
42 PACKING XN370263615
43 NUT XN089411200
44 BRACKET, COOLER X339361
45 BOLT, PIPE JOINT XN133427000
46 PACKING XN370263615
47 PIPE ASSY X163501A
48 BOLT XN085512030
49 SPRING WASHER XN030021200
50 FLANGE X151819D
51 GASKET XN074007036
52 BOLT XN085510055
53 U-BOLT X156616H
54 COOLER ASSY, LUB OIL X025015993A
55 COVER (A), COOLER X993016998B
56 GASKET X152549
57 TAPER PLUG X156556
58 BOLT XN085710075
59 ZINC, PROTECTION X150358B
60 PACKING XN370263615
61 GASKET X150359
62 PLUG X150346A
63 ELEMENT X155015994
64 WASHER, COPPER XN370101610
65 PLUG XN132410000
66 COVER (B) X993016998C
67 BOLT, SOCKET XN113810050
68 PIPE ASSY, SUCTION X338937
69 GASKET X191021882
70 BOLT XN085510020
71 GASKET X338968
72 GASKET XN074006231
73 FLANGE XN073006200
74 BOLT XN085510030
75 PLATE X18202A
76 BOLT XN085510070
77 GASKET X191109927A
78 FILTER ASSY X337208
79 BOLT XN085510080
80 BOLT, PIPE JOINT XN120422000
81 WASHER, COPPER XN370223115
82 BOLT XN085510030
83 BOLT XN085510125
84 GASKET X157715
85 SPACER X334870
86 PLUG, TAPER XN389910000
87 TAPER PLUG X112573
88 BOLT M10X35 XN113810035
89 BOLT XN085510045
90 GASKET X157716
91 COVER X534406
92 BOLT XN085510025
93 BOLT XN085510075
94 GASKET X331807B
95 WASHER, COPPER XN370223115
96 BOLT X113634K

Returns Policy

All returns must be authorized. Items returned prior authorization will not be accepted.

Defective new equipment may be returned for warranty repair/exchange to us within five (5) days of the shipment receipt date.  After five (5) days, returns will be handled by direct contact and in accordance with the warranty terms of the item's manufacturer.  Items that have malfunctioned due to mishandling, electrical overload, etc., will be subject to a repair charge. 

Non-Defective new equipment will be authorized for return within five (5) days of the shipment receipt date if the equipment is still in new, re-sellable condition with the original manual(s), accessories, packing material and carton. We reserve the right to reject returns in which there is no original packaging, missing accessories, damage or visible signs of usage of the item.  A restocking fee of up to 25% of purchase price may apply.  Special orders and dangerous goods are non-returnable.

**There's a 20% Restocking Fee on All Returned Palmgren Products in Original Packaging

To get your RMA, simply call (800) 364-4637 for a return authorization number or email sales@palmerpower.com .

(Do not write anything on the manufacturer's original package or use as a shipping carton. Include all accessories, manuals and warranties.) Please include a copy of the packing list or invoice with a reason for the return. Your return authorization number is valid for thirty days.

To check the status of your return, please email us at sales@palmerpower.com. Please be sure to include your RMA number. For more information please check our FAQ page.

Shipping

We can ship to virtually any address in the world. Note that there are restrictions on some products, and some products cannot be shipped to international destinations.

When you place an order, we will estimate shipping and delivery dates for you based on the availability of your items and the shipping options you choose. Depending on the shipping provider you choose, shipping date estimates may appear on the shipping quotes page.

Please also note that the shipping rates for many items we sell are weight-based. The weight of any such item can be found on its detail page. To reflect the policies of the shipping companies we use, all weights will be rounded up to the next full pound.

Boat Services & Repairs in Houston

We will service your boat whether you bought it from us or not. Our award-winning boat service department has a full-time staff of seasoned, factory-certified technicians dedicated to ensuring that your boat runs well for years to come. Our team is trained to correctly diagnose issues, advise you of any developing problems, and address any unique service issues your boat may require. Whether you need complex engine work and repairs, canvas and upholstery, boat tune Up, electronics installation or repair, or boat detailing, our technicians will work quickly to keep you out of the shop and on the water. Not only does our service department provide the highest quality service, we also have a large parts department for the do-it-yourself types. Ask about our inventory of parts and aftermarket additions to make your own repairs or upgrades.

Learn More

boat repair service boat Sterndrive repair

Frequently Asked Questions

  • How do I request a quote?
    To request a quote for pricing on any Palmer Power's products, please see our request a quote page. Fill out and submit our quote form and one of our representatives will contact you when your quote is ready.
  • Do you have any Minimum Order Restriction?
    Palmer Power Does not have any Minimum Order Restriction.
  • Will my order be subject to sales tax?
    Estimated state sales tax will appear within your shopping cart for all shipments within the United states unless a signed official state tax exemption certificate is furnished to Palmer Power.
  • How do I check my Order Status?
    To check the status of an online order, email sales@palmerpower.com. Please be sure to include your order number.
  • How do I Return items?

    All returns must be authorized. Items returned prior authorization will not be accepted. International customers must ship any returns to us freight and duty prepaid. Return freight charges for International shipments will be the responsibility of the customer.

    Defective new equipment may be returned for warranty repair/exchange to us within five (5) days of the shipment receipt date. After five (5) days, returns will be handled by direct contact and in accordance with the warranty terms of the item's manufacturer. Items that have malfunctioned due to mishandling, electrical overload, etc., will be subject to a repair charge.

    Non-Defective new equipment will be authorized for return within five (5) days of the shipment receipt date if the equipment is still in new, re-sellable condition with the original manual(s), accessories, packing material and carton. We reserve the right to reject returns in which there is no original packaging, missing accessories, damage or visible signs of usage of the item. A restocking fee of up to 25% of purchase price may apply. Special orders and dangerous goods are non-returnable.

    (Do not write anything on the manufacturer's original package or use as a shipping carton. Include all accessories, manuals and warranties.) Please include a copy of the packing list or invoice with a reason for the return. Your return authorization number is valid for thirty days.

  • What payment options do I have?

    Palmer Power accepts a variety of payment options for your convenience. For prepayment, we accept all major credit cards (Visa, MasterCard, Discover and American Express), Purchase Orders, and international wire transfers. We also offer credit terms to existing customers.

Fast Delivery
Dealer Program
Secure Shopping
30-Day Free Returns