YANMAR 119717-51711 Gasket, Pump | PalmerPower
close
close
click to zoom in
  • Guaranteed Fitment

    Always the correct part

  • In-House Experts

    We know our products

  • Boat Repair Service

    Diagnostics, Repairs, and Maintenance

  • Fast Delivery

YANMAR 119717-51711 Gasket, Pump

Write a Review
$7.34
SKU:
119717-51711
Schematic Object Key:
89

YANMAR 119717-51711 Gasket, Pump

$7.34

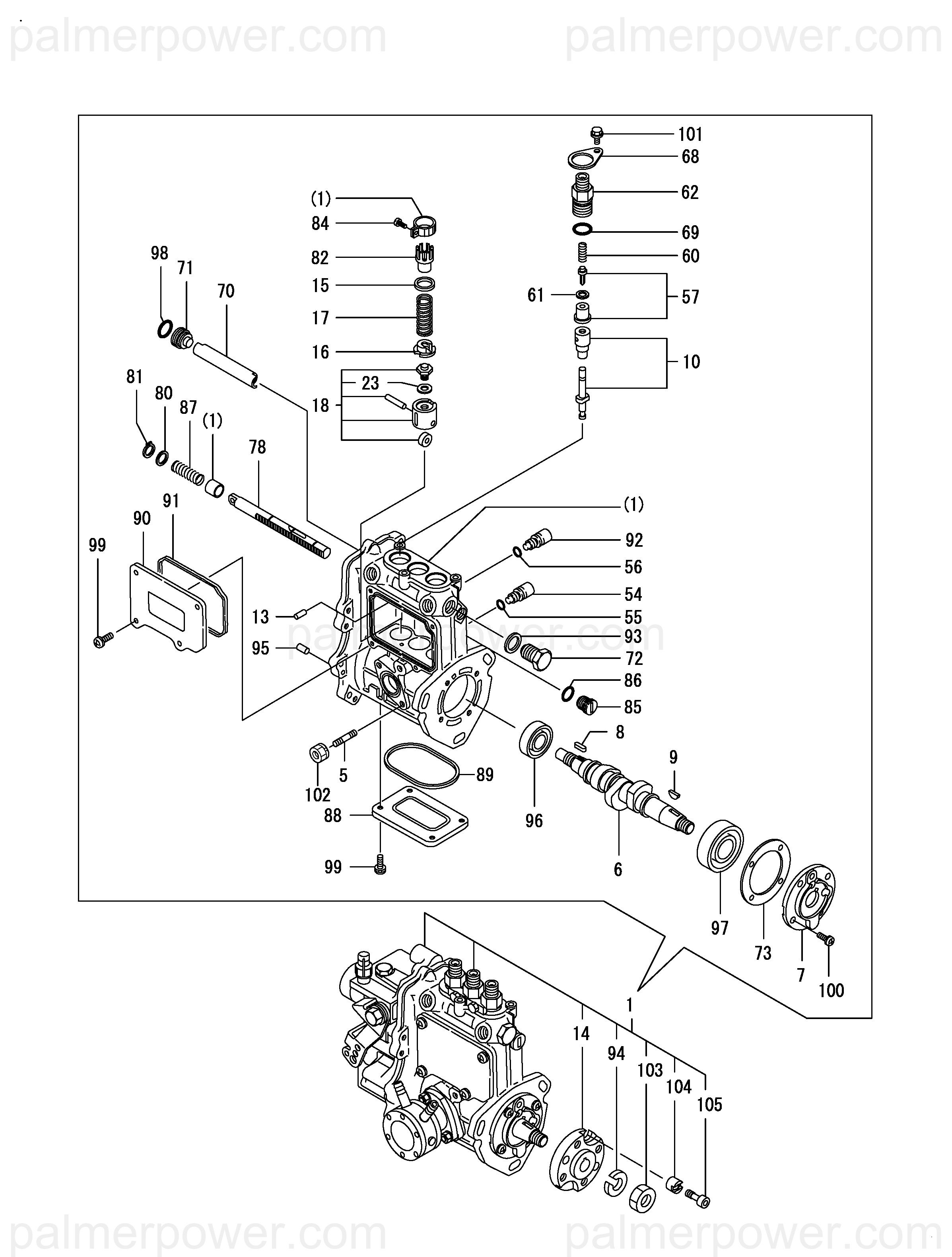
Disclaimer: Please note that the items featured in the image (schematic diagram) are not sold as a bundled set. To facilitate your search, kindly refer to the schematic object key provided below in order to locate a specific item within the image.

YANMAR 119717-51711 Gasket, Pump

Schematic Object Key : 89

Product Description : GASKET, PUMP 119717-51711

Disclaimer: Each item listed in the table below is available for individual purchase and is not sold as part of a package or set.

Other Components:

Ref Description Part No.
1 FIE ASSY 728995-51300
5 STUD 129155-51020
6 SHAFT, CAM 119C00-51030
7 SUPPORT, CAMSHAFT 119717-51060
8 KEY, PARALLEL 119717-51070
9 KEY 122710-51090
10 PLUNGER ASSY 119740-51100
13 PIN 129155-51140
14 FLANGE, CAMSHAFT 119717-51150
15 RETAINER, SPRING 158600-51170
16 RETAINER, SPRING 119717-51570
17 SPRING, PLUNGER 119717-51190
18 TAPPET ASSY, ROLLER 119717-51200
23 SHIM SET, ADJUSTING 129155-51600
54 STOPPER, TAPPET 158600-51270
55 O-RING, S6 129155-51280
56 O-RING, S6 129155-51280
57 VALVE ASSY, DELIVERY 119717-51300
60 SPRING, DELIVERY 119717-51330
61 GASKET, DELIVERY 124550-51350
62 VALVE ASSY, DELIVERY 158600-51442
68 RETAINER, HOLDER 119125-51370
69 O-RING, 4DP15.0 24316-000150
70 DEFLECTOR 129155-51400
71 PLUG, DEFLECTOR 158600-51410
72 PLUG, DEFLECTOR 158600-51420
73 SHIM SET, ADJUSTING 129155-51450
78 RACK, CONTROL 119717-51500
80 SPACER 129155-51530
81 CIRCLIP 129155-51540
82 PINION, CONTROL 129155-51550
84 SCREW 129100-51570
85 PLUG, RACK 158600-51570
86 O-RING 129155-51580
87 SPRING, RACK 129155-51591
88 COVER 129155-51701
89 GASKET, PUMP 119717-51711
90 COVER, BODY SIDE 119717-51750
91 GASKET, PUMP COVER 119717-51761
92 STOPPER, RACK 158600-51790
93 WASHER, SEAL 16 22190-160002
94 WASHER, SPRING 12 22217-120000
95 PIN, SPRING 5.0X10 22351-050010
96 BEARING, BALL 6003 24101-060034
97 BEARING, BALL 6303 24101-063034
98 O-RING 119717-51420
99 SCREW, M5X12 26022-050122
100 BOLT, M6X14 119125-51900
101 BOLT, M5X 10 PLATED 26106-050102
102 NUT, M6 119717-51860
103 NUT, M12 26716-120002
104 COLLAR, FIC FIX 119717-51481
105 BOLT, FIXATION 119717-51491

YANMAR 119717-51711 Gasket, Pump

Returns Policy

All returns must be authorized. Items returned prior authorization will not be accepted.

Defective new equipment may be returned for warranty repair/exchange to us within five (5) days of the shipment receipt date.  After five (5) days, returns will be handled by direct contact and in accordance with the warranty terms of the item's manufacturer.  Items that have malfunctioned due to mishandling, electrical overload, etc., will be subject to a repair charge. 

Non-Defective new equipment will be authorized for return within five (5) days of the shipment receipt date if the equipment is still in new, re-sellable condition with the original manual(s), accessories, packing material and carton. We reserve the right to reject returns in which there is no original packaging, missing accessories, damage or visible signs of usage of the item.  A restocking fee of up to 25% of purchase price may apply.  Special orders and dangerous goods are non-returnable.

**There's a 20% Restocking Fee on All Returned Palmgren Products in Original Packaging

To get your RMA, simply call (800) 364-4637 for a return authorization number or email sales@palmerpower.com .

(Do not write anything on the manufacturer's original package or use as a shipping carton. Include all accessories, manuals and warranties.) Please include a copy of the packing list or invoice with a reason for the return. Your return authorization number is valid for thirty days.

To check the status of your return, please email us at sales@palmerpower.com. Please be sure to include your RMA number. For more information please check our FAQ page.

Shipping

We can ship to virtually any address in the world. Note that there are restrictions on some products, and some products cannot be shipped to international destinations.

When you place an order, we will estimate shipping and delivery dates for you based on the availability of your items and the shipping options you choose. Depending on the shipping provider you choose, shipping date estimates may appear on the shipping quotes page.

Please also note that the shipping rates for many items we sell are weight-based. The weight of any such item can be found on its detail page. To reflect the policies of the shipping companies we use, all weights will be rounded up to the next full pound.

Boat Services & Repairs in Houston

We will service your boat whether you bought it from us or not. Our award-winning boat service department has a full-time staff of seasoned, factory-certified technicians dedicated to ensuring that your boat runs well for years to come. Our team is trained to correctly diagnose issues, advise you of any developing problems, and address any unique service issues your boat may require. Whether you need complex engine work and repairs, canvas and upholstery, boat tune Up, electronics installation or repair, or boat detailing, our technicians will work quickly to keep you out of the shop and on the water. Not only does our service department provide the highest quality service, we also have a large parts department for the do-it-yourself types. Ask about our inventory of parts and aftermarket additions to make your own repairs or upgrades.

Learn More

boat repair service boat Sterndrive repair

Frequently Asked Questions

  • How do I request a quote?
    To request a quote for pricing on any Palmer Power's products, please see our request a quote page. Fill out and submit our quote form and one of our representatives will contact you when your quote is ready.
  • Do you have any Minimum Order Restriction?
    Palmer Power Does not have any Minimum Order Restriction.
  • Will my order be subject to sales tax?
    Estimated state sales tax will appear within your shopping cart for all shipments within the United states unless a signed official state tax exemption certificate is furnished to Palmer Power.
  • How do I check my Order Status?
    To check the status of an online order, email sales@palmerpower.com. Please be sure to include your order number.
  • How do I Return items?

    All returns must be authorized. Items returned prior authorization will not be accepted. International customers must ship any returns to us freight and duty prepaid. Return freight charges for International shipments will be the responsibility of the customer.

    Defective new equipment may be returned for warranty repair/exchange to us within five (5) days of the shipment receipt date. After five (5) days, returns will be handled by direct contact and in accordance with the warranty terms of the item's manufacturer. Items that have malfunctioned due to mishandling, electrical overload, etc., will be subject to a repair charge.

    Non-Defective new equipment will be authorized for return within five (5) days of the shipment receipt date if the equipment is still in new, re-sellable condition with the original manual(s), accessories, packing material and carton. We reserve the right to reject returns in which there is no original packaging, missing accessories, damage or visible signs of usage of the item. A restocking fee of up to 25% of purchase price may apply. Special orders and dangerous goods are non-returnable.

    (Do not write anything on the manufacturer's original package or use as a shipping carton. Include all accessories, manuals and warranties.) Please include a copy of the packing list or invoice with a reason for the return. Your return authorization number is valid for thirty days.

  • What payment options do I have?

    Palmer Power accepts a variety of payment options for your convenience. For prepayment, we accept all major credit cards (Visa, MasterCard, Discover and American Express), Purchase Orders, and international wire transfers. We also offer credit terms to existing customers.

Fast Delivery
Dealer Program
Secure Shopping
30-Day Free Returns