YANMAR 129155-51711 Gasket, Cover | PalmerPower
close
close
click to zoom in
  • Guaranteed Fitment

    Always the correct part

  • In-House Experts

    We know our products

  • Boat Repair Service

    Diagnostics, Repairs, and Maintenance

  • Fast Delivery

YANMAR 129155-51711 Gasket, Cover

Write a Review
$6.86
SKU:
129155-51711
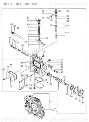
Schematic Object Key:
75

YANMAR 129155-51711 Gasket, Cover

$6.86

Disclaimer: Please note that the items featured in the image (schematic diagram) are not sold as a bundled set. To facilitate your search, kindly refer to the schematic object key provided below in order to locate a specific item within the image.

YANMAR 129155-51711 Gasket, Cover

Schematic Object Key : 75

Product Description : GASKET 129155-51711

Disclaimer: Each item listed in the table below is available for individual purchase and is not sold as part of a package or set.

Other Components:

Ref Description Part No.
1 PUMP ASSY, INJECTION 729209-51320
5 STUD 129155-51020
6 CAMSHAFT 119810-51040
8 BEARING, 17BM001D 129155-51050
9 SUPPORT, CAMSHAFT 129155-51060
10 KEY 122710-51090
11 PLUNGER ASSY 129506-51100
14 PIN 129155-51140
15 RETAINER, SPRING A 174307-51170
16 RETAINER, SPRING 129155-51180
17 SPRING, PLUNGER 124950-51190
18 TAPPET ASSY 129155-51200
25 STOPPER, TAPPET 129155-51270
26 O-RING, S6 129155-51280
27 VALVE ASSY, DELIVERY 129100-51300
30 SPRING, DELIVERY 129155-51320
31 RETAINER 129155-51340
32 GASKET, DELIVERY 124550-51350
33 O-RING 124550-51370
34 STOPPER, VALVE 129155-51370
35 STOPPER 129155-51380
36 STOPPER 129155-51390
37 DEFLECTOR 129155-51400
38 BOLT 129155-51410
39 PLUG, M16 129155-51420
40 SHIM SET, ADJUSTING 129155-51450
45 RACK, CONTROL 129155-51500
46 BUSH, RACK 129155-51521
47 SPACER 129155-51530
48 CIRCLIP 129155-51540
49 PINION, CONTROL 129155-51550
50 SCREW 122117-51560
51 PINION 174307-51560
52 PLUG, M12 129155-51570
53 O-RING 129155-51580
54 SPRING, RACK 129155-51591
55 SHIM SET, ADJUSTING 129155-51600
74 COVER 129155-51701
75 GASKET 129155-51711
76 COVER 129155-51751
77 GASKET 129155-51760
78 STOOPER, RACK 129155-51790
79 LABEL, CAUTION 129156-51910
80 SPACER, T=3.25 129155-51930
81 SPACER, T=1.5 129155-51940
82 WASHER, SPRING 6 22217-060000
83 PIN, SPRING 5.0X10 22351-050010
84 BEARING, BALL 6303 24101-063034
85 O-RING, 1AS16.0 24341-000160
86 SCREW, M5X10 26022-050102
87 SCREW, M6X16 26022-060162
88 BOLT, M5X 30 PLATED 26116-050302
89 NUT, M6 26716-060002
90 WASHER, SEAL 16 22190-160002
93 GASKET 129155-52050
94 COVER, FEED PUMP 129100-52200
95 WASHER, SPRING 5 22217-050000

YANMAR 129155-51711 Gasket, Cover

Returns Policy

All returns must be authorized. Items returned prior authorization will not be accepted.

Defective new equipment may be returned for warranty repair/exchange to us within five (5) days of the shipment receipt date.  After five (5) days, returns will be handled by direct contact and in accordance with the warranty terms of the item's manufacturer.  Items that have malfunctioned due to mishandling, electrical overload, etc., will be subject to a repair charge. 

Non-Defective new equipment will be authorized for return within five (5) days of the shipment receipt date if the equipment is still in new, re-sellable condition with the original manual(s), accessories, packing material and carton. We reserve the right to reject returns in which there is no original packaging, missing accessories, damage or visible signs of usage of the item.  A restocking fee of up to 25% of purchase price may apply.  Special orders and dangerous goods are non-returnable.

**There's a 20% Restocking Fee on All Returned Palmgren Products in Original Packaging

To get your RMA, simply call (800) 364-4637 for a return authorization number or email sales@palmerpower.com .

(Do not write anything on the manufacturer's original package or use as a shipping carton. Include all accessories, manuals and warranties.) Please include a copy of the packing list or invoice with a reason for the return. Your return authorization number is valid for thirty days.

To check the status of your return, please email us at sales@palmerpower.com. Please be sure to include your RMA number. For more information please check our FAQ page.

Shipping

We can ship to virtually any address in the world. Note that there are restrictions on some products, and some products cannot be shipped to international destinations.

When you place an order, we will estimate shipping and delivery dates for you based on the availability of your items and the shipping options you choose. Depending on the shipping provider you choose, shipping date estimates may appear on the shipping quotes page.

Please also note that the shipping rates for many items we sell are weight-based. The weight of any such item can be found on its detail page. To reflect the policies of the shipping companies we use, all weights will be rounded up to the next full pound.

Boat Services & Repairs in Houston

We will service your boat whether you bought it from us or not. Our award-winning boat service department has a full-time staff of seasoned, factory-certified technicians dedicated to ensuring that your boat runs well for years to come. Our team is trained to correctly diagnose issues, advise you of any developing problems, and address any unique service issues your boat may require. Whether you need complex engine work and repairs, canvas and upholstery, boat tune Up, electronics installation or repair, or boat detailing, our technicians will work quickly to keep you out of the shop and on the water. Not only does our service department provide the highest quality service, we also have a large parts department for the do-it-yourself types. Ask about our inventory of parts and aftermarket additions to make your own repairs or upgrades.

Learn More

boat repair service boat Sterndrive repair

Frequently Asked Questions

  • How do I request a quote?
    To request a quote for pricing on any Palmer Power's products, please see our request a quote page. Fill out and submit our quote form and one of our representatives will contact you when your quote is ready.
  • Do you have any Minimum Order Restriction?
    Palmer Power Does not have any Minimum Order Restriction.
  • Will my order be subject to sales tax?
    Estimated state sales tax will appear within your shopping cart for all shipments within the United states unless a signed official state tax exemption certificate is furnished to Palmer Power.
  • How do I check my Order Status?
    To check the status of an online order, email sales@palmerpower.com. Please be sure to include your order number.
  • How do I Return items?

    All returns must be authorized. Items returned prior authorization will not be accepted. International customers must ship any returns to us freight and duty prepaid. Return freight charges for International shipments will be the responsibility of the customer.

    Defective new equipment may be returned for warranty repair/exchange to us within five (5) days of the shipment receipt date. After five (5) days, returns will be handled by direct contact and in accordance with the warranty terms of the item's manufacturer. Items that have malfunctioned due to mishandling, electrical overload, etc., will be subject to a repair charge.

    Non-Defective new equipment will be authorized for return within five (5) days of the shipment receipt date if the equipment is still in new, re-sellable condition with the original manual(s), accessories, packing material and carton. We reserve the right to reject returns in which there is no original packaging, missing accessories, damage or visible signs of usage of the item. A restocking fee of up to 25% of purchase price may apply. Special orders and dangerous goods are non-returnable.

    (Do not write anything on the manufacturer's original package or use as a shipping carton. Include all accessories, manuals and warranties.) Please include a copy of the packing list or invoice with a reason for the return. Your return authorization number is valid for thirty days.

  • What payment options do I have?

    Palmer Power accepts a variety of payment options for your convenience. For prepayment, we accept all major credit cards (Visa, MasterCard, Discover and American Express), Purchase Orders, and international wire transfers. We also offer credit terms to existing customers.

Fast Delivery
Dealer Program
Secure Shopping
30-Day Free Returns